User Guide
Manuals
Brands
AO Smith Manuals
Boilers
Burkay 336,000 BTU Output Electronic Ignition Hot Water Boiler (Nat Gas)
31
32
33
34
35
36
37
38
39
40
31
31
31
31
31
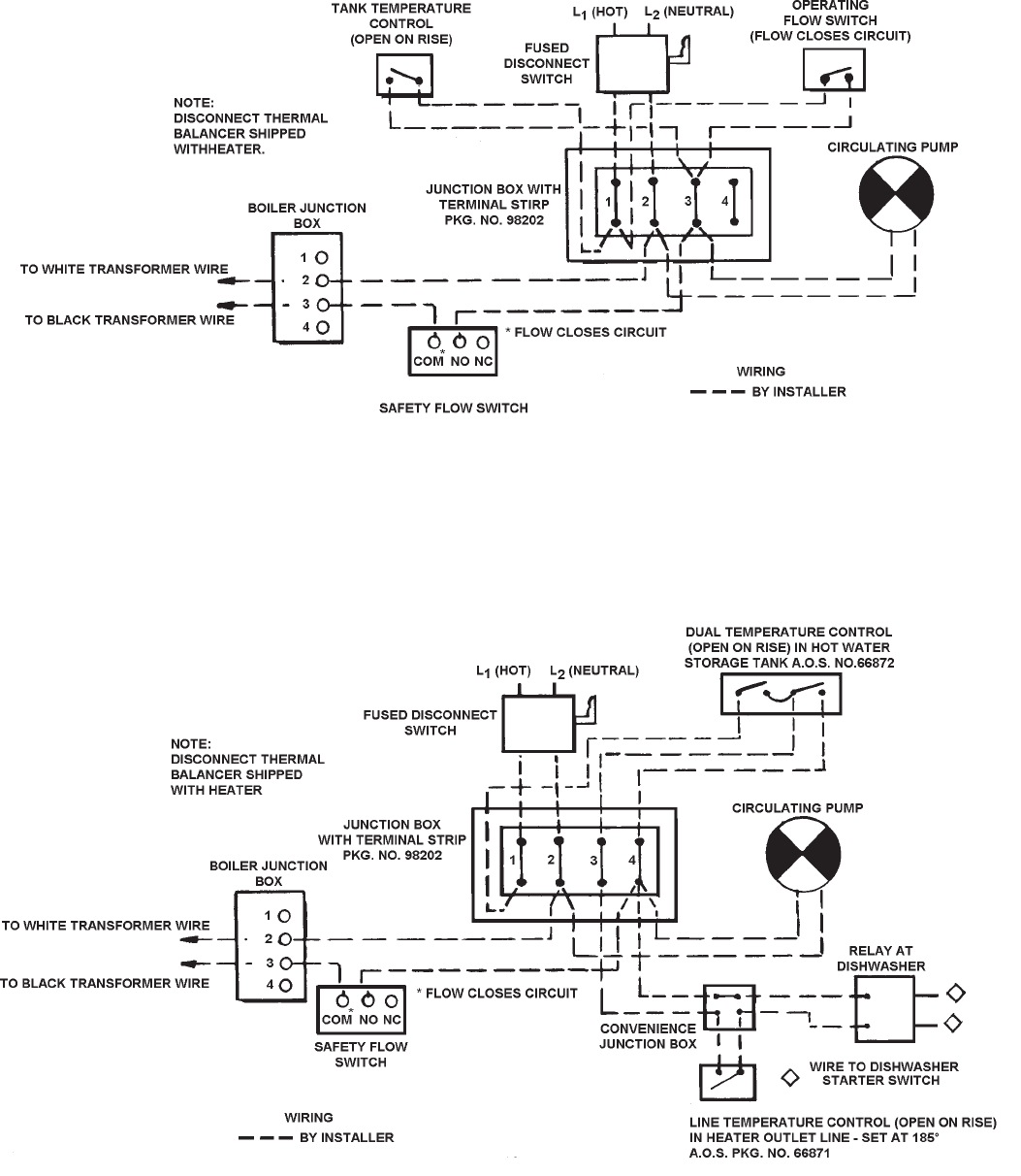
BOOSTER - RECOVERY
WIRING DIAGRAM
U.S. MODELS, JUNCTION BOX W/4 TERMINALS
FIGURE 26
SHURE - TEMP BOOSTER - RECOVER
Y
WIRING DIAGRAM
TWO-TEMPERA
TURE SYSTEM
U.S. MODELS, JUNCTION BOX W/4 TERMINALS
FIGURE 27
1
...
...
29
30
31
32
33
...
...
64