User Guide
Manuals
Brands
AO Smith Manuals
Boilers
Burkay 336,000 BTU Output Electronic Ignition Hot Water Boiler (Nat Gas)
21
22
23
24
25
26
27
28
29
30
26
26
26
26
26
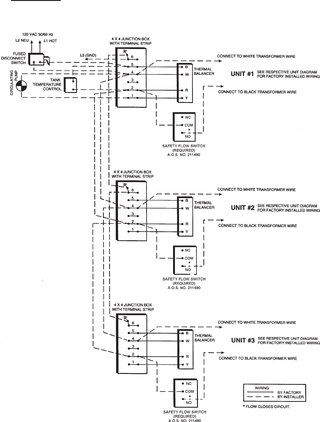
CER-TEMP
80 - 2 OR 3 UNIT INST
ALLA
TION - FOR HOT W
A
TER SUPPL
Y
APPLICA
TION
CANADIAN MODELS, JUNCTION BOX W/6 TERMINALS
FIGURE 20
1
...
...
24
25
26
27
28
...
...
64