User Guide

2323
2323
23
NOTE:
1. Building temperature controls supply electric power to building
circulator.
2. Main flow switch proves main water flow before energizing sequencing
and resetting controls.
3. Outdoor thermostat required if building controls do not provide automatic
shutdown of reset controls during warm weather.
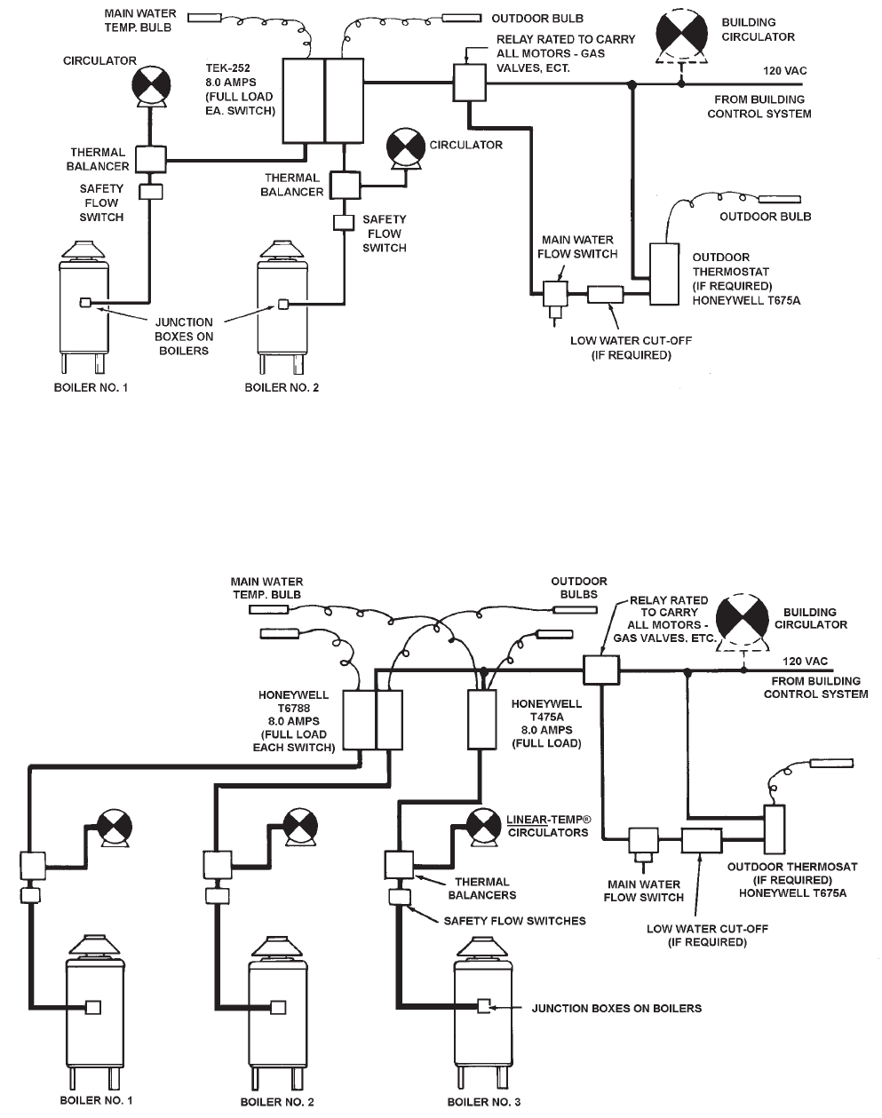
Boilers and Secondary Circulator are Controlled by
• Dual Bulb, Dual Switch Controller
Staging and Outdoor Reset of Main Water Temperature
CONTROL APPLICATION DIAGRAM - TWO BOILER LINEAR-TEMP® INSTALLATION WITH TWO CIRCULATORS
FIGURE 13
CONTROL APPLICATION DIAGRAM - THREE BOILER LINEAR-TEMP® INSTALLATION WITH THREE CIRCULATORS
FIGURE 14
NOTE:
1. Building temperature controls supply electric power to building
circulator.
2. Main flow switch proves main water flow before energizing sequencing
and resetting controls.
3. Outdoor thermostat required if building controls do not provide automatic
shutdown of reset controls during warm weather.
Boilers and Secondary Circulator are Controlled by
• One Dual Bulb, Dual Switch Mechanical Controller and
• One Dual Bulb, single Switch Mechanical Controller
Sequencing and Outdoor Reset of Main Water Temperature.










