User Guide
Manuals
Brands
AO Smith Manuals
Boilers
Burkay 336,000 BTU Output Electronic Ignition Hot Water Boiler (Nat Gas)
11
12
13
14
15
16
17
18
19
20
20
20
20
20
20
HW-300, HW-399, HW-420, HW-500 & HW-670
(NA
TURAL GAS)
SINGLE ST
AGE I.I.D. - ROBERTSHA
W GAS V
AL
VE
HW-300, -399, -420, -520 & 670 (NA
TURAL
GAS ONL
Y) - U.S. MODELS
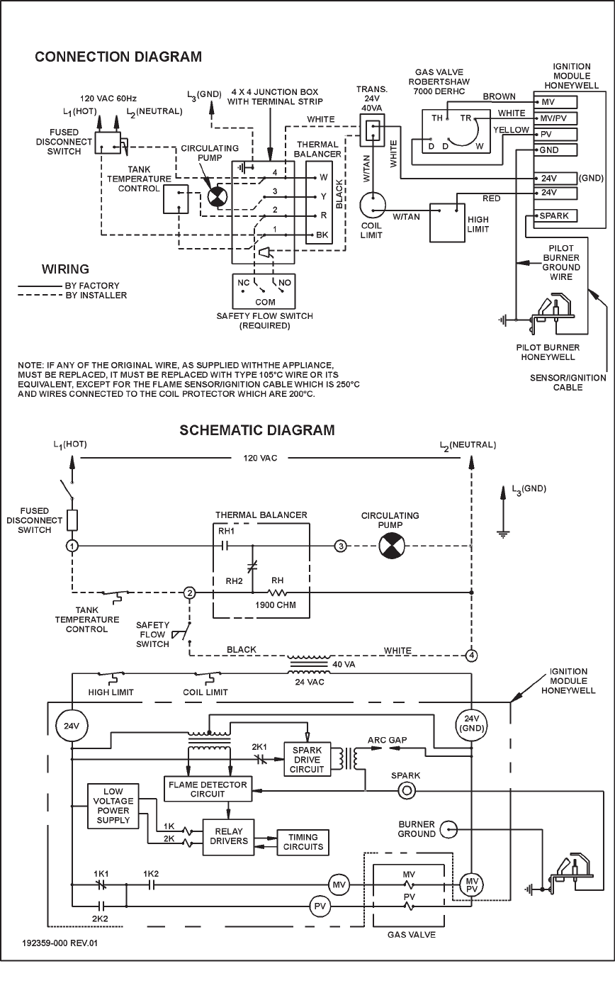
FIGURE 1
1B
1
...
...
18
19
20
21
22
...
...
64