Specifications
Table Of Contents

21
VARIETY STEAMER
P/N 1010745 Rev. G 03/06
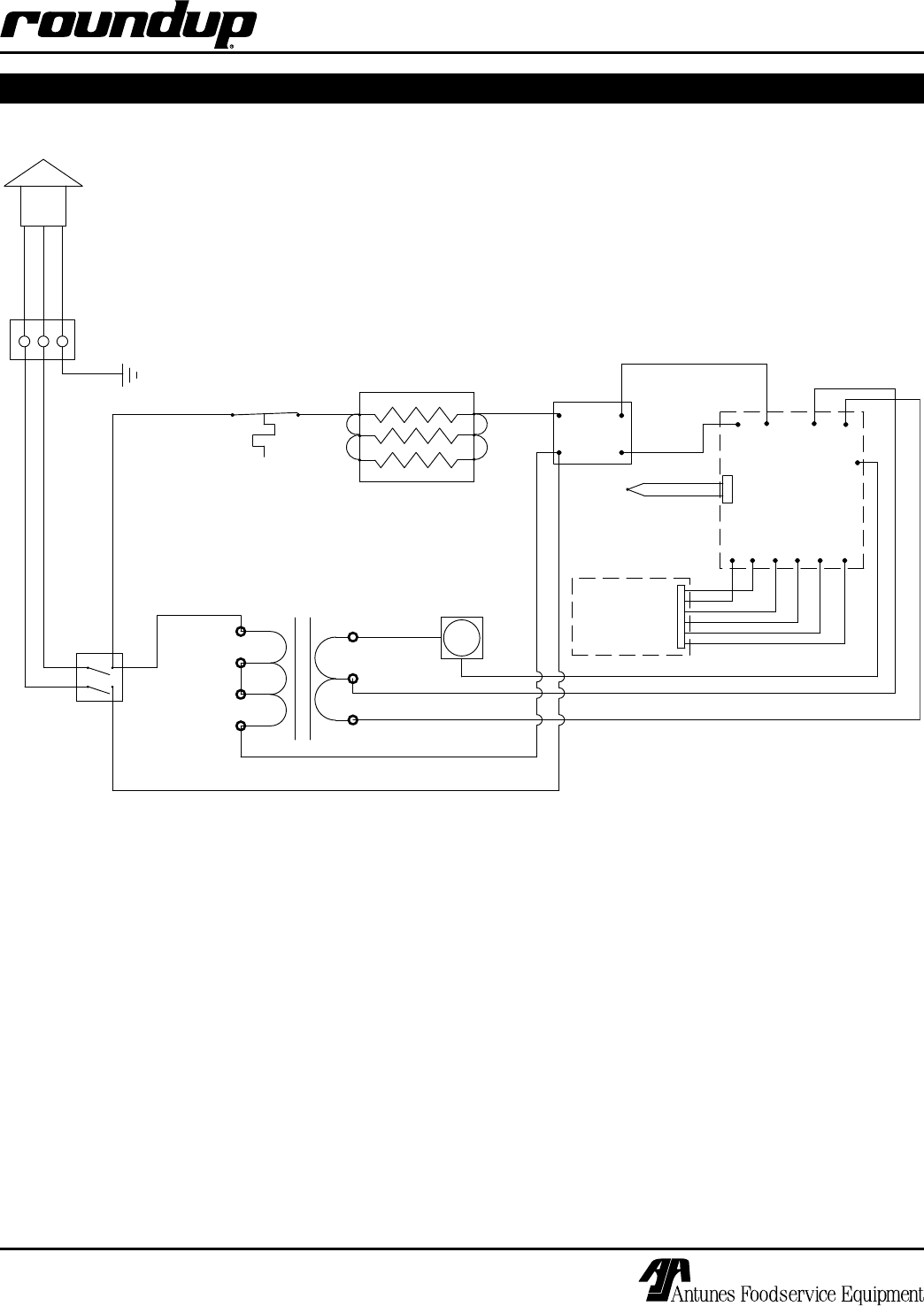
WIRING DIAGRAM
#
BLK
RED
BLK
BRN
ORG
GRN
YEL
T10T9T8T7T6T5
T1
T2T3
T4
4-
3+
1
2
RED
YEL
BLUE
ORG
BLK
#
BRN
#
#
#
T11
BLK
BLK
WHT
BLK
WHT
230V
SOLENOID
4
2
WHT
6
8
5
1
10
TRANSFORMER
BLK
WHT
CORD
BLOCK
POWER
TERMINAL
GRN
GND
SWITCH
POWER
1 2
4 5
#
#
BOARD
SWITCH
BOARD
S.S. RELAY
THERMOCOUPLE
CONTROL
HI-LIMIT
THERMOSTAT
HEATER
NOTE: ALL WIRES TO BE 10 GA. TFE-200°C
UNLESS OTHERWISE SPECIFIED.
GRN-YEL
GRN
WHT/BLU
BLK/BRN
# 18 GA. AWM-105°C