- Antunes, AJ. & Co. MIRACLE STEAMER Owner's Manual

MIRACLE STEAMER
26
P/N 1010699 Rev. B
A.J. Antunes & Co.
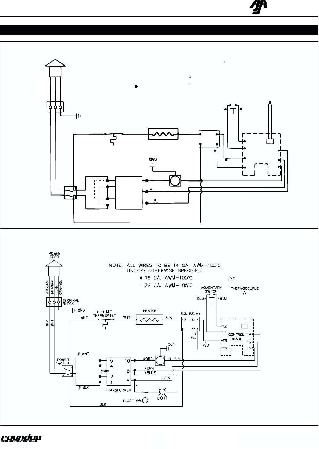
WIRING DIAGRAMS
VIO
MOMENTARY
SWITCH
THERMOCOUPLE
S.S. RELAY
CONTROL
BOARD
T5
T2
T1
T3
T7
T2
T6
2
1
3+
4–
YEL
RED
BLU
BLU
BLK
HEATERHI-LIMIT
THERMOSTAT
WHT
WHT
TERMINAL
BLOCK
GRD
GRN
GRN-YEL
GRN
W
HT/BLU
BLK/BRN
BLK/BRN
BLK
WHT
#WHT
#BLK
BLK
TRANSFORMER
1
2
4
5
6
8
10
#BLK
#WHT
BRN
BRN
SOLENOID
POWER
SWITCH
1
4
POWER
CORD
NOTE: ALL WIRES TO BE 14 GA. AWM–105 C
UNLESS OTHERWISE SPECIFIED.
#18 GA. AWM–105 C
22 GA. AWM–105 C
120V
230V
MS-150/155/250/255
MS-355










