Datasheet
Table Of Contents
- Features
- Applications
- General Description
- Revision History
- Functional Block Diagram
- Specifications
- Absolute Maximum Ratings
- Pin Configurations and Function Descriptions
- Terminology
- Overview of the ARM7TDMI Core
- Thumb Mode (T)
- Multiplier (M)
- EmbeddedICE (I)
- ARM Registers
- Interrupt Latency
- Memory Organization
- Flash/EE Control Interface
- Memory Mapped Registers
- Complete MMR Listing
- Reset
- Oscillator, PLL, and Power Control
- ADC Circuit Information
- Reference Sources
- Diagnostic Current Sources
- Sinc3 Filter
- ADC Chopping
- Programmable Gain Amplifier
- Excitation Sources
- ADC Low Power Mode
- ADC Comparator and Accumulator
- Temperature Sensor
- ADC MMR Interface
- ADC Status Register
- ADC Interrupt Mask Register
- ADC Mode Register
- Primary ADC Control Register
- Auxiliary ADC Control Register
- ADC Filter Register
- ADC Configuration Register
- Primary Channel ADC Data Register
- Auxiliary Channel ADC Data Register
- Primary Channel ADC Offset Calibration Register
- Auxiliary Channel ADC Offset Calibration Register
- Primary Channel ADC Gain Calibration Register
- Auxiliary Channel Gain Calibration Register
- Primary Channel ADC Result Counter Limit Register
- Primary Channel ADC Result Counter Register
- Primary Channel ADC Threshold Register
- Primary Channel ADC Threshold Counter Limit Register
- Primary Channel ADC Threshold Counter Register
- Primary Channel ADC Accumulator Register
- Excitation Current Sources Control Register
- Example Application Circuits
- DAC Peripherals
- Nonvolatile Flash/EE Memory
- Processor Reference Peripherals
- Timers
- Pulse-Width Modulator
- Pulse-Width Modulator General Overview
- PWMCON Control Register
- PWM0COM0 Compare Register
- PWM0COM1 Compare Register
- PWM0COM2 Compare Register
- PWM0LEN Register
- PWM1COM0 Compare Register
- PWM1COM1 Compare Register
- PWM1COM2 Compare Register
- PWM1LEN Register
- PWM2COM0 Compare Register
- PWM2COM1 Compare Register
- PWM2COM2 Compare Register
- PWM2LEN Register
- PWMCLRI Register
- Pulse-Width Modulator General Overview
- UART Serial Interface
- Baud Rate Generation
- UART Register Definitions
- I2C
- Configuring External Pins for I2C Functionality
- Serial Clock Generation
- I2C Bus Addresses
- I2C Registers
- I2C Master Registers
- I2C Master Control, I2CMCON Register
- I2C Master Status, I2CMSTA, Register
- I2C Master Receive, I2CMRX, Register
- I2C Master Transmit, I2CMTX, Register
- I2C Master Read Count, I2CMCNT0, Register
- I2C Master Current Read Count, I2CMCNT1, Register
- I2C Address 0, I2CADR0, Register
- I2C Address 1, I2CADR1, Register
- I2C Master Clock Control, I2CDIV, Register
- I2C Slave Registers
- I2C Common Registers
- I2C Master Registers
- Serial Peripheral Interface
- General-Purpose I/O
- Hardware Design Considerations
- Outline Dimensions

Data Sheet ADuC7060/ADuC7061
Rev. D | Page 55 of 108
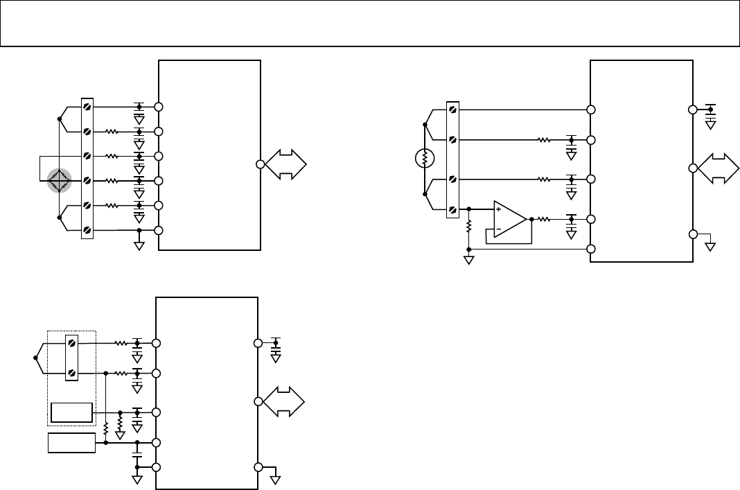
+2.5V
ADuC7060/
ADuC7061
ADC0
SPI
I
2
C
UART
GPIO
ADC1
07079-012
VREF+
AGND/DGND
AVDD/DVDD
VREF–
Figure 18. Bridge Interface Circuit
+2.5V
ADC0
ADuC7060/
ADuC7061
ADC1
SPI
I
2
C
UART
GPIO
ADC4
AD592
ADR280
07079-013
VREF+
AGND/DGND
AVDD/DVDD
VREF–
Figure 19. Example of a Thermocouple Interface Circuit
+2.5V
IEXC1
ADuC7060/
ADuC7061
AGND/DGND
ADC0
SPI
I
2
C
UART
GPIO
ADC1
AVDD/DVDD
RTD
VREF–
07079-014
VREF+
Figure 20. Example of an RTD Interface Circuit