Datasheet
Table Of Contents
- Features
- Applications
- General Description
- Revision History
- Functional Block Diagram
- Specifications
- Absolute Maximum Ratings
- Pin Configurations and Function Descriptions
- Terminology
- Overview of the ARM7TDMI Core
- Thumb Mode (T)
- Multiplier (M)
- EmbeddedICE (I)
- ARM Registers
- Interrupt Latency
- Memory Organization
- Flash/EE Control Interface
- Memory Mapped Registers
- Complete MMR Listing
- Reset
- Oscillator, PLL, and Power Control
- ADC Circuit Information
- Reference Sources
- Diagnostic Current Sources
- Sinc3 Filter
- ADC Chopping
- Programmable Gain Amplifier
- Excitation Sources
- ADC Low Power Mode
- ADC Comparator and Accumulator
- Temperature Sensor
- ADC MMR Interface
- ADC Status Register
- ADC Interrupt Mask Register
- ADC Mode Register
- Primary ADC Control Register
- Auxiliary ADC Control Register
- ADC Filter Register
- ADC Configuration Register
- Primary Channel ADC Data Register
- Auxiliary Channel ADC Data Register
- Primary Channel ADC Offset Calibration Register
- Auxiliary Channel ADC Offset Calibration Register
- Primary Channel ADC Gain Calibration Register
- Auxiliary Channel Gain Calibration Register
- Primary Channel ADC Result Counter Limit Register
- Primary Channel ADC Result Counter Register
- Primary Channel ADC Threshold Register
- Primary Channel ADC Threshold Counter Limit Register
- Primary Channel ADC Threshold Counter Register
- Primary Channel ADC Accumulator Register
- Excitation Current Sources Control Register
- Example Application Circuits
- DAC Peripherals
- Nonvolatile Flash/EE Memory
- Processor Reference Peripherals
- Timers
- Pulse-Width Modulator
- Pulse-Width Modulator General Overview
- PWMCON Control Register
- PWM0COM0 Compare Register
- PWM0COM1 Compare Register
- PWM0COM2 Compare Register
- PWM0LEN Register
- PWM1COM0 Compare Register
- PWM1COM1 Compare Register
- PWM1COM2 Compare Register
- PWM1LEN Register
- PWM2COM0 Compare Register
- PWM2COM1 Compare Register
- PWM2COM2 Compare Register
- PWM2LEN Register
- PWMCLRI Register
- Pulse-Width Modulator General Overview
- UART Serial Interface
- Baud Rate Generation
- UART Register Definitions
- I2C
- Configuring External Pins for I2C Functionality
- Serial Clock Generation
- I2C Bus Addresses
- I2C Registers
- I2C Master Registers
- I2C Master Control, I2CMCON Register
- I2C Master Status, I2CMSTA, Register
- I2C Master Receive, I2CMRX, Register
- I2C Master Transmit, I2CMTX, Register
- I2C Master Read Count, I2CMCNT0, Register
- I2C Master Current Read Count, I2CMCNT1, Register
- I2C Address 0, I2CADR0, Register
- I2C Address 1, I2CADR1, Register
- I2C Master Clock Control, I2CDIV, Register
- I2C Slave Registers
- I2C Common Registers
- I2C Master Registers
- Serial Peripheral Interface
- General-Purpose I/O
- Hardware Design Considerations
- Outline Dimensions

ADuC7060/ADuC7061 Data Sheet
Rev. D | Page 38 of 108
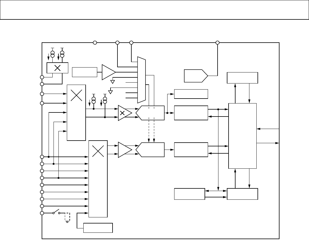
ADC CIRCUIT INFORMATION
IEXC0
IEXC1
ADC2
ADC3
ADC4
ADC5
ADC6
ADC7
ADC8
ADC9
GND_SW
50Ω
BUF
Σ-∆
MODULATOR
PROGRAMMABLE
FILTER
Σ-∆
MODULATOR
PROGRAMMABLE
FILTER
OVERRANGE
INTERFACE
AND CONTROL
CHOP
MUX
CHOP
MUX
AGND
TEMPERATURE
SENSOR
INTEGRATOR
ACCUMULATOR
CONVERSION
COUNTER
COMPARATORS
TO ARM
0.2Hz TO 8kHz
0.5Hz TO 8kHz
DAC
BUF
INTERNAL
REFERENCE
AVDD
AUX_REFP
AUX_REFM
0.2mA TO 1mA
PGA
50µA O/C
DETECT
V
REF–
V
REF+AVDD
ADC0
ADC1
DAC0
07079-009
Figure 14. Analog Block Diagram
The ADuC706x incorporates two independent multichannel
Σ-Δ ADCs. The primary ADC is a 24-bit, 4-channel ADC. The
auxiliary ADC is a 24-bit Σ-Δ ADC, with up to seven single-
ended input channels.
The primary ADC input has a mux and a programmable gain
amplifier on its input stage. The mux on the primary channel
can be configured as two fully differential input channels or as
four single-ended input channels.
The auxiliary ADC incorporates a buffer on its input stage.
Digital filtering is present on both ADCs, which allows
measurement of a wide dynamic range and low frequency
signals such as those in pressure sensor, temperature sensor,
weigh scale, or strain gage type applications.
The ADuC706x auxiliary ADC can be configured as four fully
differential input channels or as seven single-ended input
channels.
Because of internal buffering, the internal channels can convert
signals directly from sensors without the need for external
signal conditioning.