Datasheet
Table Of Contents
- Features
- Applications
- General Description
- Revision History
- Functional Block Diagram
- Specifications
- Absolute Maximum Ratings
- Pin Configurations and Function Descriptions
- Terminology
- Overview of the ARM7TDMI Core
- Thumb Mode (T)
- Multiplier (M)
- EmbeddedICE (I)
- ARM Registers
- Interrupt Latency
- Memory Organization
- Flash/EE Control Interface
- Memory Mapped Registers
- Complete MMR Listing
- Reset
- Oscillator, PLL, and Power Control
- ADC Circuit Information
- Reference Sources
- Diagnostic Current Sources
- Sinc3 Filter
- ADC Chopping
- Programmable Gain Amplifier
- Excitation Sources
- ADC Low Power Mode
- ADC Comparator and Accumulator
- Temperature Sensor
- ADC MMR Interface
- ADC Status Register
- ADC Interrupt Mask Register
- ADC Mode Register
- Primary ADC Control Register
- Auxiliary ADC Control Register
- ADC Filter Register
- ADC Configuration Register
- Primary Channel ADC Data Register
- Auxiliary Channel ADC Data Register
- Primary Channel ADC Offset Calibration Register
- Auxiliary Channel ADC Offset Calibration Register
- Primary Channel ADC Gain Calibration Register
- Auxiliary Channel Gain Calibration Register
- Primary Channel ADC Result Counter Limit Register
- Primary Channel ADC Result Counter Register
- Primary Channel ADC Threshold Register
- Primary Channel ADC Threshold Counter Limit Register
- Primary Channel ADC Threshold Counter Register
- Primary Channel ADC Accumulator Register
- Excitation Current Sources Control Register
- Example Application Circuits
- DAC Peripherals
- Nonvolatile Flash/EE Memory
- Processor Reference Peripherals
- Timers
- Pulse-Width Modulator
- Pulse-Width Modulator General Overview
- PWMCON Control Register
- PWM0COM0 Compare Register
- PWM0COM1 Compare Register
- PWM0COM2 Compare Register
- PWM0LEN Register
- PWM1COM0 Compare Register
- PWM1COM1 Compare Register
- PWM1COM2 Compare Register
- PWM1LEN Register
- PWM2COM0 Compare Register
- PWM2COM1 Compare Register
- PWM2COM2 Compare Register
- PWM2LEN Register
- PWMCLRI Register
- Pulse-Width Modulator General Overview
- UART Serial Interface
- Baud Rate Generation
- UART Register Definitions
- I2C
- Configuring External Pins for I2C Functionality
- Serial Clock Generation
- I2C Bus Addresses
- I2C Registers
- I2C Master Registers
- I2C Master Control, I2CMCON Register
- I2C Master Status, I2CMSTA, Register
- I2C Master Receive, I2CMRX, Register
- I2C Master Transmit, I2CMTX, Register
- I2C Master Read Count, I2CMCNT0, Register
- I2C Master Current Read Count, I2CMCNT1, Register
- I2C Address 0, I2CADR0, Register
- I2C Address 1, I2CADR1, Register
- I2C Master Clock Control, I2CDIV, Register
- I2C Slave Registers
- I2C Common Registers
- I2C Master Registers
- Serial Peripheral Interface
- General-Purpose I/O
- Hardware Design Considerations
- Outline Dimensions

ADuC7060/ADuC7061 Data Sheet
Rev. D | Page 106 of 108
COMPLIANT TO JEDEC STANDARDS MS-026-BBC
TOP VIEW
(PINS DOWN)
1
12
13
25
24
36
37
48
0.27
0.22
0.17
0.50
BSC
LEAD PITCH
1.60
MAX
0.75
0.60
0.45
VIEW A
PIN 1
0.20
0.09
1.45
1.40
1.35
0.08
COPLANARITY
VIEW A
ROTATED 90° CCW
SEATING
PLANE
7°
3.5°
0°
0.15
0.05
9.20
9.00 SQ
8.80
7.20
7.00 SQ
6.80
051706-A
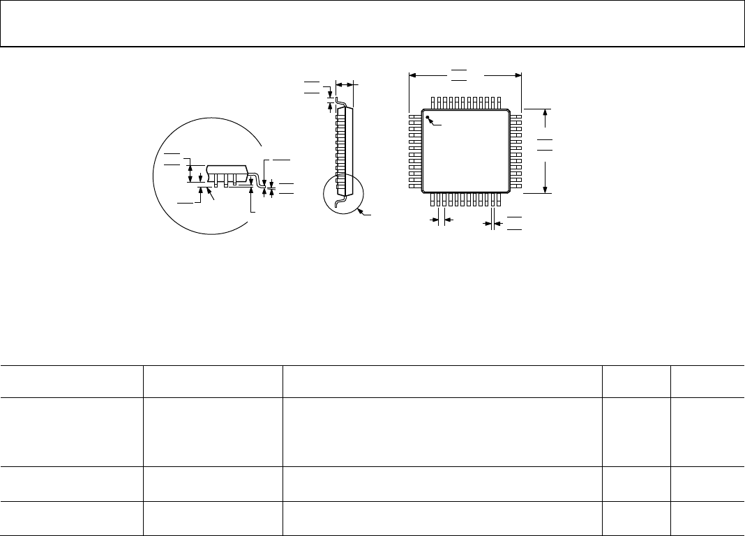
Figure 32. 48-Lead Low Profile Quad Flat Package [LQFP]
(ST-48)
Dimensions shown in millimeters
ORDERING GUIDE
Model
1
Temperature Range Package Description
Package
Option
Ordering
Quantity
ADuC7060BCPZ32 −40°C to +125°C 48-Lead Lead Frame Chip Scale Package [LFCSP_VQ] CP-48-3
ADuC7060BCPZ32-RL −40°C to +125°C 48-Lead Lead Frame Chip Scale Package [LFCSP_VQ] CP-48-3 2,500
ADuC7060BSTZ32 −40°C to +125°C 48-Lead Low Profile Quad Flat Package [LQFP] ST-48
ADuC7060BSTZ32-RL −40°C to +125°C 48-Lead Low Profile Quad Flat Package [LQFP] ST-48 2,000
ADuC7061BCPZ32
−40°C to +125°C
32-Lead Lead Frame Chip Scale Package [LFCSP_VQ]
CP-32-4
ADuC7061BCPZ32-RL −40°C to +125°C 32-Lead Lead Frame Chip Scale Package [LFCSP_VQ] CP-32-4 5,000
EVAL-ADuC7060QSPZ
ADuC7060 Quick Start Plus Development System
EVAL-ADuC7061MKZ ADuC7061 Quick Start Evaluation System
1
Z = RoHS Compliant Part.