Datasheet

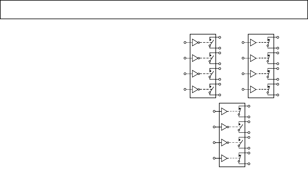
FUNCTIONAL BLOCK DIAGRAMS
IN1
IN2
IN3
IN4
S1
D1
S2
D2
S3
D3
S4
D4
ADG431
IN1
IN2
IN3
IN4
S1
D1
S2
D2
S3
D3
S4
D4
ADG432
IN1
IN2
IN3
IN4
S1
D1
S2
D2
S3
D3
S4
D4
ADG433
SWITCHES SHOWN FOR A LOGIC "1" INPUT
REV. C
Information furnished by Analog Devices is believed to be accurate and
reliable. However, no responsibility is assumed by Analog Devices for its
use, nor for any infringements of patents or other rights of third parties
which may result from its use. No license is granted by implication or
otherwise under any patent or patent rights of Analog Devices.
a
LC
2
MOS
Precision Quad SPST Switches
ADG431/ADG432/ADG433
FEATURES
44 V Supply Maximum Ratings
15 V Analog Signal Range
Low On Resistance (<24 )
Ultralow Power Dissipation (3.9 W)
Low Leakage (<0.25 nA)
Fast Switching Times
t
ON
<165 ns
t
OFF
<130 ns
Break-Before-Make Switching Action
TTL/CMOS Compatible
Plug-in Replacement for DG411/DG412/DG413
APPLICATIONS
Audio and Video Switching
Automatic Test Equipment
Precision Data Acquisition
Battery Powered Systems
Sample Hold Systems
Communication Systems
GENERAL DESCRIPTION
The ADG431, ADG432 and ADG433 are monolithic CMOS
devices comprising four independently selectable switches. They
are designed on an enhanced LC
2
MOS process which provides
low power dissipation yet gives high switching speed and low on
resistance.
The on resistance profile is very flat over the full analog input
range ensuring excellent linearity and low distortion when
switching audio signals. Fast switching speed coupled with high
signal bandwidth also make the parts suitable for video signal
switching. CMOS construction ensures ultralow power dissipa-
tion making the parts ideally suited for portable and battery
powered instruments.
The ADG431, ADG432 and ADG433 contain four indepen-
dent SPST switches. The ADG431 and ADG432 differ only in
that the digital control logic is inverted. The ADG431 switches
are turned on with a logic low on the appropriate control input,
while a logic high is required for the ADG432. The ADG433
has two switches with digital control logic similar to that of the
ADG431 while the logic is inverted on the other two switches.
Each switch conducts equally well in both directions when ON
and has an input signal range which extends to the supplies. In
the OFF condition, signal levels up to the supplies are blocked.
All switches exhibit break before make switching action for use
in multiplexer applications. Inherent in the design is low charge
injection for minimum transients when switching the digital inputs.
PRODUCT HIGHLIGHTS
1. Extended Signal Range
The ADG431, ADG432 and ADG433 are fabricated on an
enhanced LC
2
MOS process giving an increased signal range
which extends fully to the supply rails.
2. Ultralow Power Dissipation
3. Low R
ON
4. Break-Before-Make Switching
This prevents channel shorting when the switches are config-
ured as a multiplexer.
5. Single Supply Operation
For applications where the analog signal is unipolar, the
ADG431, ADG432, and ADG433 can be operated from a
single rail power supply. The parts are fully specified with a
single 12 V power supply and will remain functional with
single supplies as low as 5 V.
One Technology Way, P.O. Box 9106, Norwood, MA 02062-9106, U.S.A.
Tel: 781/329-4700 World Wide Web Site: www.analog.com
Fax: 781/326-8703 © Analog Devices, Inc., 2001








