Datasheet
Table Of Contents

Data Sheet ADG211A/ADG212A
Rev. C | Page 11 of 16
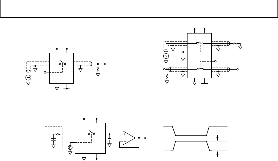
Figure 26. Off Isolation
Figure 27. Channel-to-Channel Crosstalk
Figure 28. Charge Injection
V
SS
V
DD
V
DD
V
S
+5V
V
L
GND
V
SS
V
OUT
DS
V
IN
R
L
75Ω
ADG211A: V
IN
= 5V
ADG212A: V
IN
= 0V
OFF ISOLATION =
20 × log |V
S
/V
OUT
|
10950-026
V
DD
V
DD
+5V
V
L
V
SS
GND
V
SS
V
IN
R
L
75Ω
ADG211A: V
IN
= 0V
ADG212A: V
IN
= 5V
CHANNEL-TO-CHANNEL
CROSSTALK = 20 × log |V
S
/V
OUT
|
V
S
DS
V
IN
75Ω
SD
NCV
OUT
10950-027
V
IN
V
OUT
5V
0V
ΔV
OUT
Q
INJ
= C
L
× ΔV
OUT
V
S
V
OUT
DS
C
L
1µF
V
IN
AD711
R
S
V
DD
V
DD
+5V
V
L
V
SS
GND
V
SS
10950-028










