Datasheet
Table Of Contents

ADG1408/ADG1409
Rev. B | Page 18 of 20
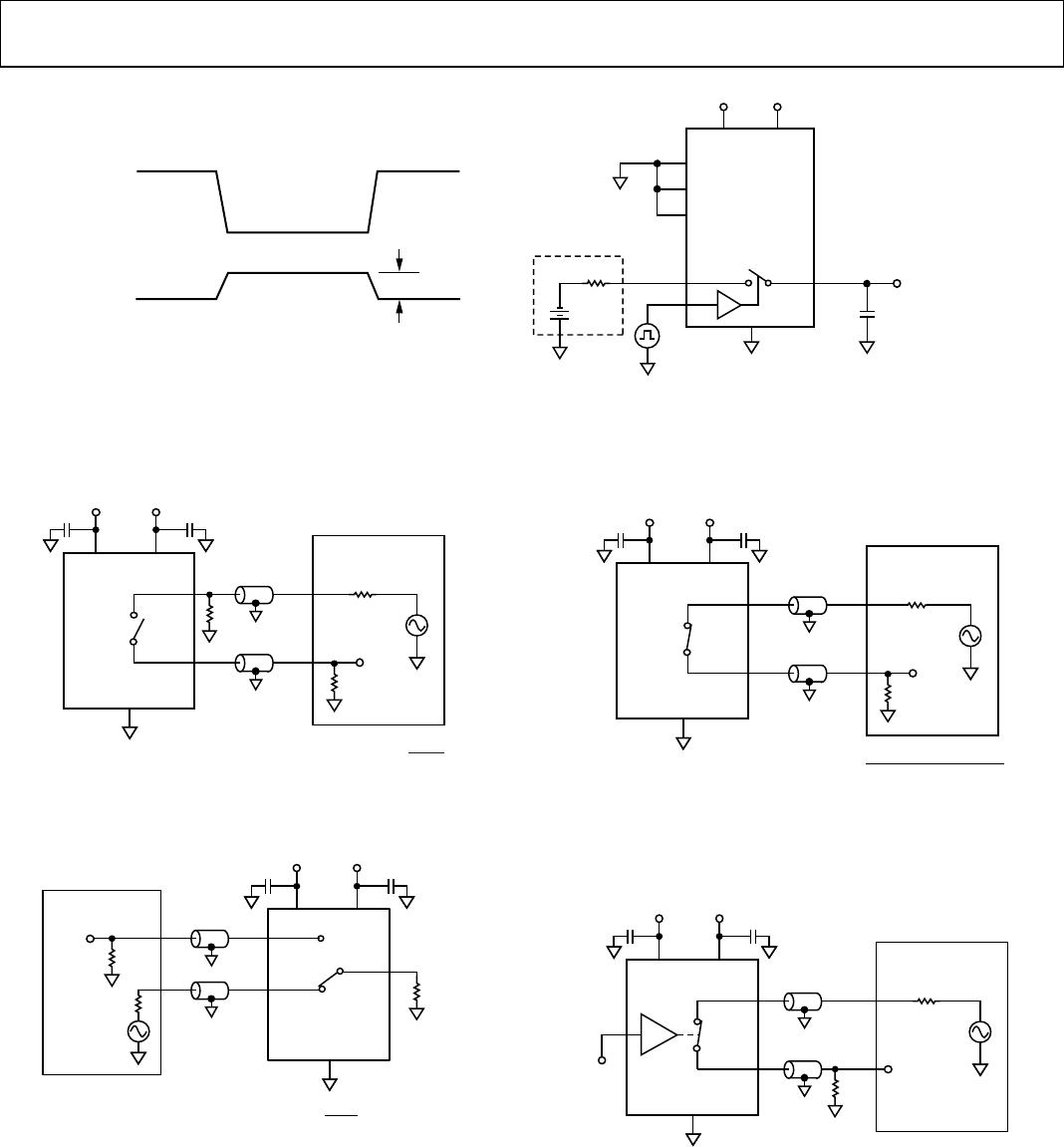
3V
V
IN
V
OUT
Q
INJ
= C
L
× ΔV
OUT
ΔV
OUT
DS
EN
GND
C
L
1nF
V
OUT
V
IN
R
S
V
S
V
DD
V
SS
V
DD
V
SS
A0
A1
A2
ADG1408
1
1
SIMILAR CONNECTION FOR ADG1409.
04861-026
Figure 32. Charge Injection
V
OUT
50Ω
NETWORK
ANALYZER
R
L
50Ω
S
D
50Ω
OFF ISOLATION = 20 log
V
OUT
V
S
V
S
V
DD
V
SS
0.1µF
V
DD
0.1µF
V
SS
GND
04861-027
Figure 33. Off Isolation
CHANNEL-TO-CHANNEL CROSSTALK = 20 log
V
OUT
GND
S1
D
S2
V
OUT
NETWORK
ANALYZER
R
L
50Ω
R
50Ω
V
S
V
S
V
DD
V
SS
0.1µF
V
DD
0.1µF
V
SS
04861-028
Figure 34. Channel-to-Channel Crosstalk
V
OUT
50Ω
NETWORK
ANALYZER
R
L
50Ω
S
D
INSERTION LOSS = 20 log
V
OUT
WITH SWITCH
V
OUT
WITHOUT SWITCH
V
S
V
DD
V
SS
0.1µF
V
DD
0.1µF
V
SS
GND
04861-029
Figure 35. Insertion Loss
V
OUT
R
S
AUDIO PRECISION
R
L
10kΩ
IN
V
IN
S
D
V
S
V p-p
V
DD
V
SS
0.1µF
V
DD
0.1µF
V
SS
GND
04861-030
Figure 36. THD + Noise