Datasheet
Table Of Contents
- FEATURES
- APPLICATIONS
- GENERAL DESCRIPTION
- FUNCTIONAL BLOCK DIAGRAM
- TABLE OF CONTENTS
- REVISION HISTORY
- SPECIFICATIONS
- ABSOLUTE MAXIMUM RATINGS
- PIN CONFIGURATION AND FUNCTION DESCRIPTIONS
- TERMINOLOGY
- EQUIVALENT INPUT/OUTPUT CIRCUITS
- TYPICAL PERFORMANCE CHARACTERISTICS
- SYSTEM OVERVIEW
- SERIAL INTERFACE TIMING
- COMPLETE REGISTER LISTING
- PRECISION TIMING HIGH SPEED TIMING GENERATION
- HORIZONTAL CLAMPING AND BLANKING
- GENERATING SPECIAL HBLK PATTERNS
- POWER-UP PROCEDURE
- ANALOG FRONT END DESCRIPTION AND OPERATION
- APPLICATIONS INFORMATION
- OUTLINE DIMENSIONS

AD9949
Rev. B | Page 9 of 36
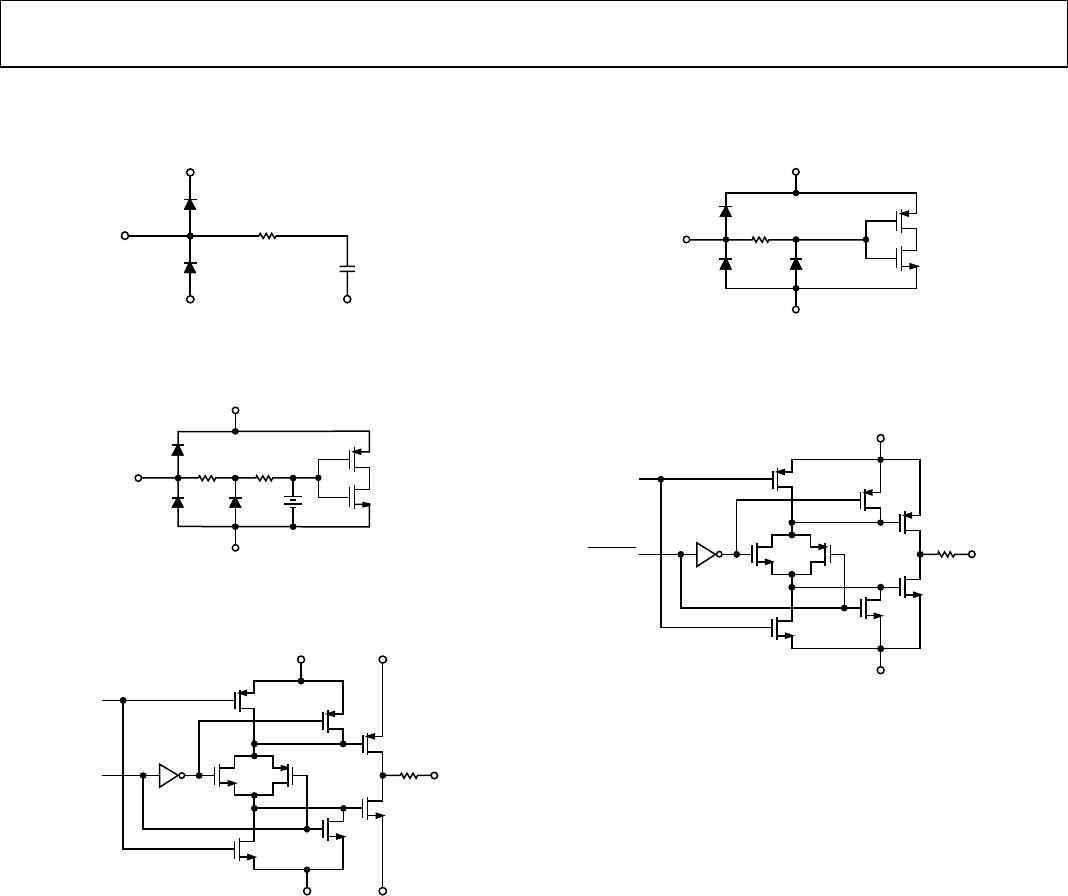
EQUIVALENT INPUT/OUTPUT CIRCUITS
R
AVDD
AVSS
AVSS
03751-004
Figure 3. CCDIN (Pin 27)
AVDD
AVSS
330Ω
CLI
25kΩ
1.4V
03751-005
+
Figure 4. CLI (Pin 25)
DVSS
DRVDD
DVSS DRVSS
DATA
THREE-STATE DOUT
03751-006
Figure 5. Data Outputs D0 to D11 (Pins 1 to 4, 7 to 13, 40)
03751-007
DVDD
DVSS
330Ω
Figure 6. Digital Inputs (Pins 31 to 35, 38)
03751-008
HVDD OR RGVDD
HVSS OR RGVSS
DATA
ENABLE DOUT
Figure 7. H1 to H4 and RG (Pins 14 to 15, 18 to 19, 21)










