Datasheet
Table Of Contents
- FEATURES
- APPLICATIONS
- GENERAL DESCRIPTION
- FUNCTIONAL BLOCK DIAGRAM
- TABLE OF CONTENTS
- REVISION HISTORY
- SPECIFICATIONS
- ABSOLUTE MAXIMUM RATINGS
- PIN CONFIGURATION AND FUNCTION DESCRIPTIONS
- TERMINOLOGY
- EQUIVALENT INPUT/OUTPUT CIRCUITS
- TYPICAL PERFORMANCE CHARACTERISTICS
- SYSTEM OVERVIEW
- SERIAL INTERFACE TIMING
- COMPLETE REGISTER LISTING
- PRECISION TIMING HIGH SPEED TIMING GENERATION
- HORIZONTAL CLAMPING AND BLANKING
- GENERATING SPECIAL HBLK PATTERNS
- POWER-UP PROCEDURE
- ANALOG FRONT END DESCRIPTION AND OPERATION
- APPLICATIONS INFORMATION
- OUTLINE DIMENSIONS

AD9949
Rev. B | Page 26 of 36
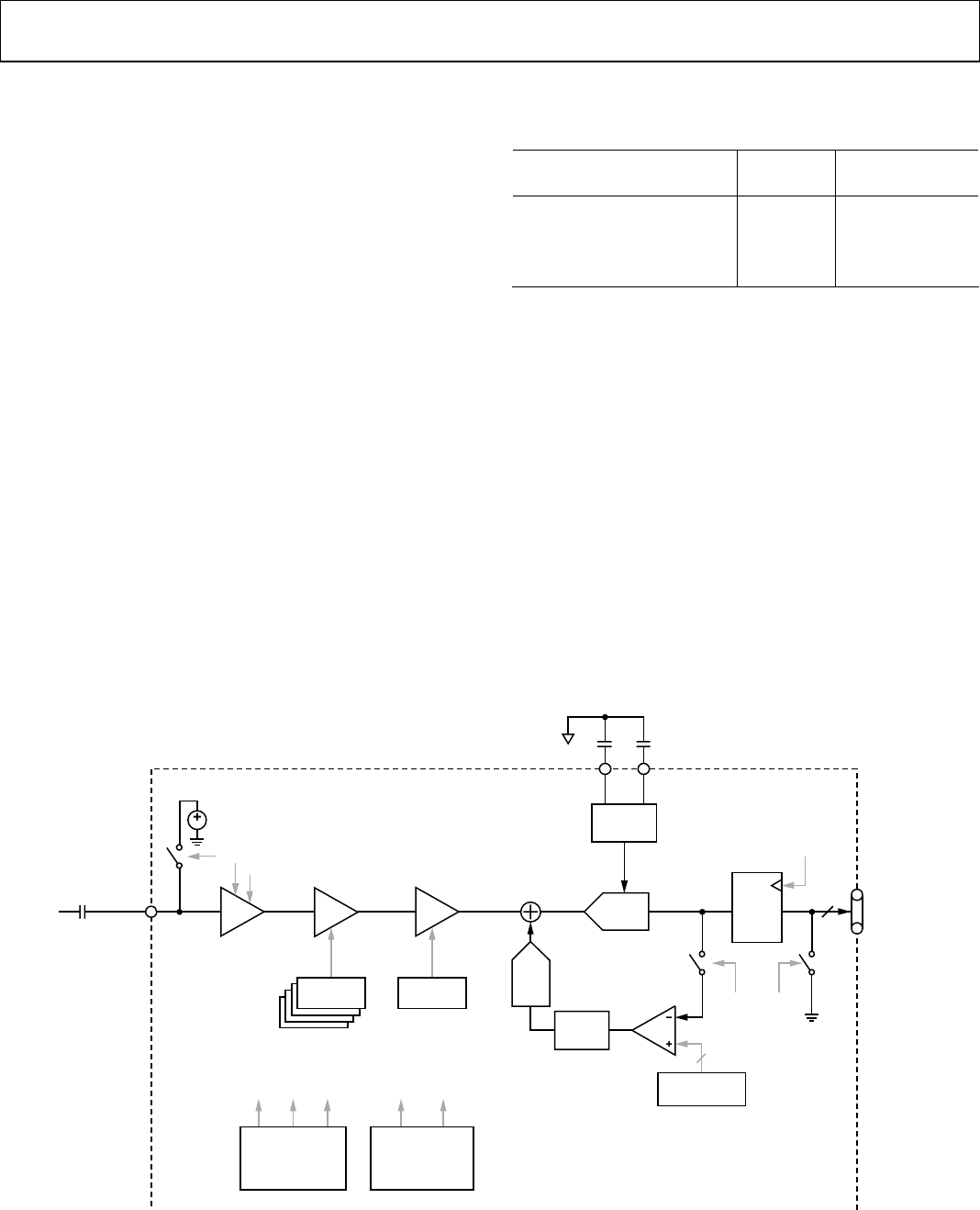
ANALOG FRONT END DESCRIPTION AND OPERATION
The AD9949 signal processing chain is shown in Figure 28.
Each processing step is essential in achieving a high quality
image from the raw CCD pixel data.
DC RESTORE
To reduce the large dc offset of the CCD output signal, a dc
restore circuit is used with an external 0.1 µF series coupling
capacitor. This restores the dc level of the CCD signal to
approximately 1.5 V to be compatible with the 3 V supply
voltage of the AD9949.
CORRELATED DOUBLE SAMPLER
The CDS circuit samples each CCD pixel twice to extract the
video information and reject low frequency noise. The timing
shown in Figure 17 illustrates how the two internally generated
CDS clocks, SHP and SHD, are used to sample the reference
level and the CCD signal level, respectively. The placement of
the SHP and SHD sampling edges is determined by the setting
of the SAMPCONTROL register located at Address 0×63.
Placement of these two clock signals is critical in achieving the
best performance from the CCD.
The gain in the CDS is fixed at 0 dB by default. Using Bits D10
and D11 in the AFE operation register, the gain may be reduced
to −2 dB or −4 dB. This allows the AD9949 to accept an input
signal of greater than 1 V p-p. See Table 14 for register details.
Table 22. Adjustable CDS Gain
Operation Register Bits
D11 D10 CDS Gain Max CDS Input
0 0 0 dB 1.0 V p-p
0 1 −2 dB 1.2 V p-p
1 0 −4 dB 1.6 V p-p
1 1 0 dB 1.0 V p-p
PxGA
The PxGA provides separate gain adjustment for the individual
color pixels. A programmable gain amplifier with four separate
values, the PxGA has the capability to multiplex its gain value
on a pixel-to-pixel basis (see Figure 29). This allows lower
output color pixels to be gained up to match higher output color
pixels. Also, the PxGA may be used to adjust the colors for
white balance, reducing the amount of digital processing that
is
needed. The four different gain values are switched according
to the color steering circuitry. Three different color steering
modes for different types of CCD color filter arrays are
programmable in the AFE CTLMODE register at Address 0×03
(see Figure 33 to Figure 35 for timing examples). For example,
progressive steering mode accommodates the popular Bayer
arrangement of red, green, and blue filters (see Figure 30).
6dB ~ 42dB
CCDIN
DIGITAL
FILTER
CLPOB
DC RESTORE
OPTICAL BLACK
CLAMP
12-BIT
ADC
VGA
DAC
8
CDS
INTERNAL
VREF
2V FULL SCALE
0dB ~ 18dB
SHP
SHD
PxGA
1.5V
OUTPUT
DATA
LATCH
REFTREFB
DOUT
PHASE
SHP SHD
DOUT
PHASE CLPOB PBLK
PBLK
1.0V 2.0V
DOUT
AD9949
0dB, –2dB, –4dB
1.0µF 1.0µF
1.0µF
03751-029
PxGA GAIN
REGISTERS
VGA GAIN
REGISTER
CLAMP LEVEL
REGISTER
12
V-H
TIMING
GENERATION
PRECISION
TIMING
GENERATION
Figure 28. Analog Front End Functional Block Diagram