Datasheet
Table Of Contents

AD604
Rev. G | Page 19 of 32
VG
13
16
15
14
19
18
17
24
23
22
21
20
12
11
10
9
8
1
2
3
4
7
6
5
AD604
–5V
+5V
VREF
RF OUT
–5V
+5V
8
7
6
5
1
2
3
4
AD711
NC
OUT
AD835
+5V
–5V
–5V
+5V
2
VSET (<0V)
–DSX1
+DSX1
PAI1
FBK1
PAO1
COM1
COM2
PAI2
FBK2
PAO2
+DSX2
–DSX2
VGN1
VREF
VPOS
GND1
OUT1
VNEG
VNEG
VPOS
GND2
OUT2
VOCM
VGN2
FB
FB
+5V
–5V
ALL SUPPLY PINS ARE DECOUPLED AS SHOWN.
1V
OFFS
NULL
C1
0.1µF
C2
0.1µF
VIN
(MAX
800mV p-p)
R1
49.9Ω
C3
0.1µF
C4
0.1µF
C12
0.1µF
C13
0.1µF
C7
0.1µF
C6
0.56µF
R2
453Ω
R3
1kΩ
C7
0.33µF
V1 = V
IN
×G
R4
2kΩ
C8
0.33µF
8765
1234
C9
0.33µF
R5
2kΩ
R6
2kΩ
–(A)
2
IF V1 = A × cos (wt)
Y1 Y2 VN Z
X1 X2 VP W
–(V1)
2
LOW-
PASS
FILTER
R7
1kΩ
C10
1µF
C11
1µF
R8
2kΩ
+V
S
–V
S
OFFS
NULL
00540-044
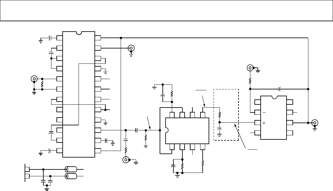
Figure 44. AGC Amplifier with 82 dB of Gain Range
ULTRALOW NOISE AGC AMPLIFIER WITH 82 dB TO
96 dB GAIN RANGE
Figure 44 shows an implementation of an AGC amplifier with
82 dB of gain range using a single AD604. The signal is applied
to connector VIN and, because the signal source is 50 Ω, a
terminating resistor (R1) of 49.9 Ω is added. The signal is then
amplified by 14 dB (Pin FBK1 shorted to PAO1) through the
Channel 1 preamplifier and is further processed by the Channel 1
DSX. Next, the signal is applied directly to the Channel 2 DSX. The
second preamplifier is powered down by connecting its COM2 pin
to the positive supply as explained in the Preamplifier section.
C1 and C2 level shift the signal from the preamplifier into the
first DSX and, at the same time, eliminate any offset contribution
of the preamplifier. C3 and C4 have the same offset cancellation
purpose for the second DSX. Each set of capacitors, combined
with the 175 Ω input resistance of the corresponding DSX,
provides a high-pass filter with a −3 dB corner frequency of
about 9.1 kHz. VOCM is decoupled to ground by a 0.1 µF
capacitor, while VREF can be externally provided; in this
application, the gain scale is set to 20 dB/V by applying 2.500 V.
Because each DSX amplifier operates from a single 5 V supply,
the output is ac-coupled via C6 and C7. The output signal can
be monitored at the connector labeled RF OUT.
Figure 45 and Figure 46 show the gain range and gain error for
the AD604 connected as shown in Figure 44. The gain range is
−14 dB to +82 dB; the useful range is 0 dB to +82 dB if the RF
output amplitude is controlled to ±400 mV (+2 dBm). The main
limitation on the lower end of the signal range is the input
capability of
the preamplifier. This limitation can be overcome by adding an
attenuator in front of the preamplifier, but that would defeat the
advantage of the ultralow noise preamplifier. It should be noted
that the second preamplifier is not used because its ultralow
noise and the associated high-power consumption are overkill
after the first DSX stage. It is disabled in this application by
connecting the COM2 pin to the positive supply. Nevertheless,
the second preamplifier can be used, if so desired, and the
useful gain range increases by 14 dB to encompass 0 dB to
96 dB of gain. For the same +2 dBm output, this allows signals
as small as −94 dBm to be measured.
To achieve the highest gains, the input signal must be band-
limited to reduce the noise; this is especially true if the second
preamplifier is used. If the maximum signal at OUT2 of the AD604
is limited to ±400 mV (+2 dBm), the input signal level at the
AGC threshold is +25 µV rms (−79 dBm). The circuit as shown in
Figure 44 has about 40 MHz of noise bandwidth; the 0.8 nV/√Hz
of input referred voltage noise spectral density of the AD604
results in an rms noise of 5.05 µV in the 40 MHz bandwidth.










