Datasheet
Table Of Contents
- FEATURES
- APPLICATIONS
- GENERAL DESCRIPTION
- FUNCTIONAL BLOCK DIAGRAM
- TABLE OF CONTENTS
- REVISION HISTORY
- SPECIFICATIONS
- ABSOLUTE MAXIMUM RATINGS
- PIN CONFIGURATION AND FUNCTION DESCRIPTIONS
- TYPICAL PERFORMANCE CHARACTERISTICS
- TERMINOLOGY
- THEORY OF OPERATION
- FEATURES
- APPLICATIONS INFORMATION
- OUTLINE DIMENSIONS

AD5724/AD5734/AD5754
Rev. D | Page 18 of 32
THEORY OF OPERATION
The AD5724/AD5734/AD5754 are quad, 12-/14-/16-bit, serial
input, unipolar/bipolar, voltage output DACs. They operate
from unipolar supply voltages of +4.5 V to +16.5 V or bipolar
supply voltages of ±4.5 V to ±16.5 V. In addition, the parts have
software-selectable output ranges of +5 V, +10 V, +10.8 V, ±5 V,
±10 V, and ±10.8 V. Data is written to the AD5724/AD5734/
AD5754 in a 24-bit word format via a 3-wire serial interface.
The devices also offer an SDO pin to facilitate daisy-chaining
or readback.
The AD5724/AD5734/AD5754 incorporate a power-on reset
circuit to ensure that the DAC registers power up loaded with
0x0000. When powered on, the outputs are clamped to 0 V via
a low impedance path.
ARCHITECTURE
The DAC architecture consists of a string DAC followed by an
output amplifier. Figure 38 shows a block diagram of the DAC
architecture. The reference input is buffered before being
applied to the DAC.
GND
RESISTOR
STRING
REF (+)
REF (–)
CONFIGURABLE
OUTPUT
AMPLIFIER
OUTPUT
RANGE CONTROL
06468-006
REFIN
DAC REGISTER
V
OUT
x
Figure 38. DAC Architecture Block Diagram
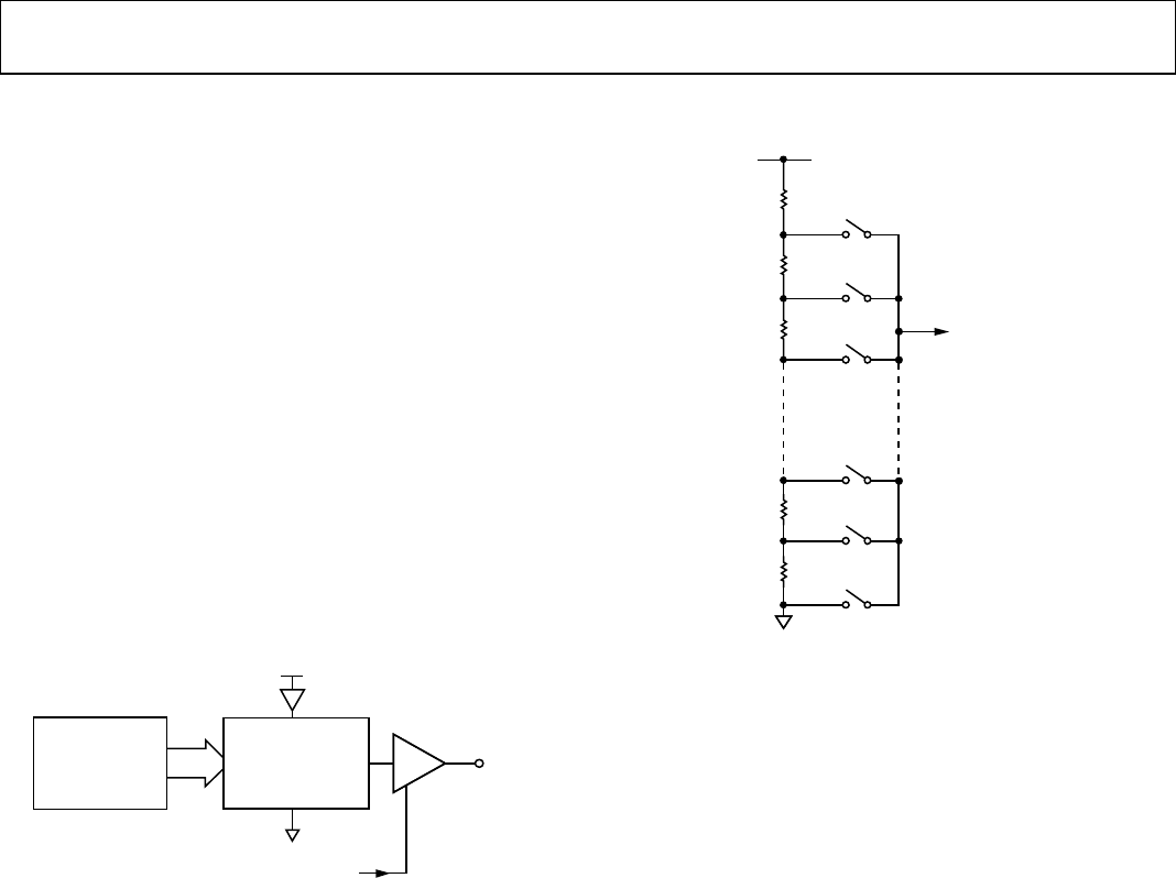
The resistor string structure is shown in Figure 39. It is a string
of resistors, each of value R. The code loaded to the DAC
register determines the node on the string where the voltage is
to be tapped off and fed into the output amplifier. The voltage is
tapped off by closing one of the switches connecting the string
to the amplifier. Because it is a string of resistors, it is
guaranteed monotonic.
R
R
R
R
R
TO OUTPU
T
AMPLIFIER
REFIN
06468-007
Figure 39. Resistor String Structure
Output Amplifiers
The output amplifiers are capable of generating both unipolar
and bipolar output voltages. They are capable of driving a load
of 2 kΩ in parallel with 4000 pF to GND. The source and sink
capabilities of the output amplifiers can be seen in Figure 26.
The slew rate is 3.5 V/μs with a full-scale settling time of 10 μs.
Reference Buffers
The AD5724/AD5734/AD5754 require an external reference
source. The reference input has an input range of 2 V to 3 V,
with 2.5 V for specified performance. This input voltage is then
buffered before it is applied to the DAC cores.
SERIAL INTERFACE
The AD5724/AD5734/AD5754 are controlled over a versatile
3-wire serial interface that operates at clock rates up to 30 MHz.
It is compatible with SPI, QSPI™, MICROWIRE™, and DSP
standards.
Input Shift Register
The input shift register is 24 bits wide. Data is loaded into the
device MSB first as a 24-bit word under the control of a serial
clock input, SCLK. The input register consists of a read/write
bit, three register select bits, three DAC address bits, and 16 data
bits. The timing diagram for this operation is shown in Figure 2.