Installation Instructions User Manual

M series - 7 -
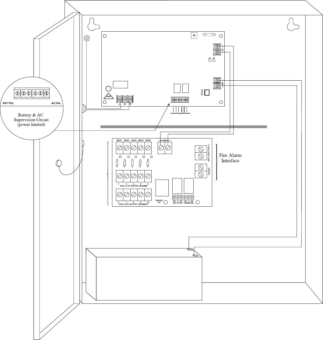
Battery connection (non power limited)
Door
Wire Strap
(from Enclosure
to Door)
115VAC
power mains
non-power
limited
Divider
Battery and AC Supervision Circuit
(power limited).
Power
Limited
Class 1
DC Outputs
to devices
(power limited)
CAUTION: De-energize unit prior to servicing. For continued protection
against risk of electric shock and fire hazard replace fuses with the same type
and rating. Do not expose to rain or moisture.
12VDC Rechargeable Battery
(optional)
Keep power limited wiring separate from non-power limited. Use minimum 0.25" spacing.
NC C NO NC C NO
BAT FAIL AC FAIL
AC DELAY
VR1
15
5A 250V
NC C NO NC C NO
Green
Lead
(ground)
Fig. 3
AL1012ULM
Fig. 3a