Installation Instructions User Manual

- 12 - M series
TRIGGER
LED
TRIGGER
- DC INPUT+
NEG (-) INPUT POS (+)
POWER
ON LED
TRIGGER
LED
TRIGGER
- DC INPUT+
NEG (-) INPUT POS (+)
POWER
ON LED
N.O. RESET
EOL 2.2K
EOL 2.2K
(+)
(-)
DC VOLTAGE INPUT
FROM FACP
SIGNALING
OUTPUT OR ACCESS
CONTROL DEVICE
N.C. INPUT
FROM FACP
NC C NO
DRY OUTPUT
NC C NO
POWER FAIL
NC C NO
DRY OUTPUT
NC C NO
POWER FAIL
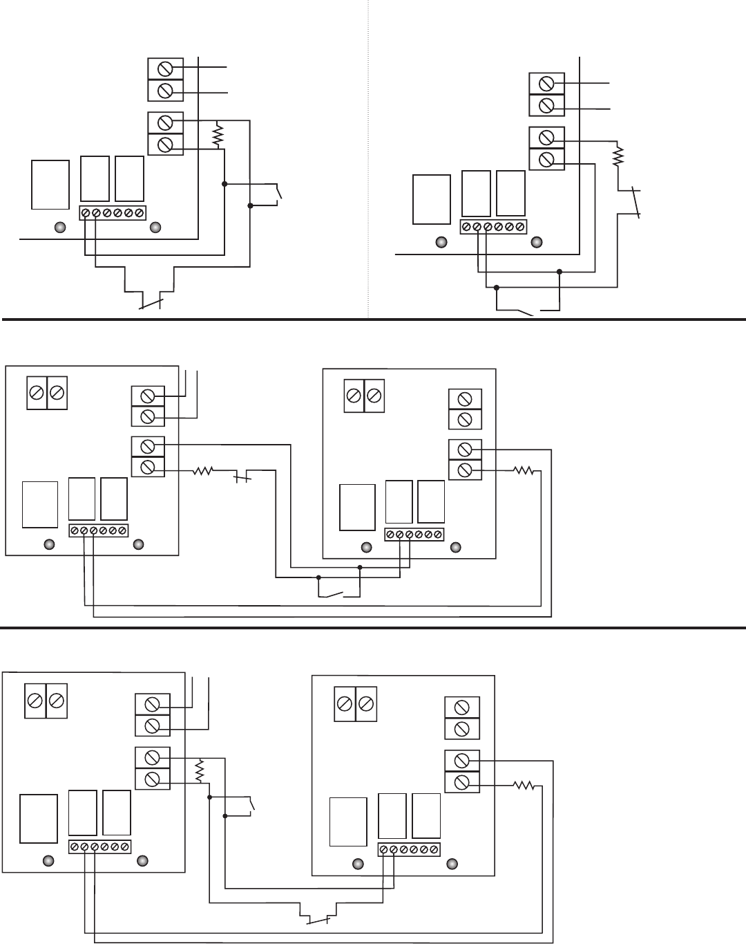
Fig. 9 - Two (2) MOM5 modules shown with wet and/or dry normally closed fire alarm trigger inputs
(Latching with Manual Reset):
TRIGGER
LED
TRIGGER
- DC INPUT+
NEG (-) INPUT POS (+)
POWER
ON LED
TRIGGER
LED
TRIGGER
- DC INPUT+
NEG (-) INPUT POS (+)
POWER
ON LED
EOL 2.2K
(+)
(-)
(+)
(-)
N.C. RESET
EOL 2.2K
DC VOLTAGE INPUT
FROM FACP
SIGNALING
OUTPUT OR ACCESS
CONTROL DEVICE
N.O. INPUT
FROM FACP
NC C NO
DRY OUTPUT
NC C NO
POWER FAIL
NC C NO
DRY OUTPUT
NC C NO
POWER FAIL
Fig. 10 - Two (2) MOM5 modules shown with wet and/or dry normally open fire alarm trigger inputs
(Latching with Manual Reset):
Fig. 8
TRIGGER
LED
TRIGGER
NEG (-) INPUT POS
(+)
POWER
ON LED
N.C.
RESET
EOL 2.2K
(+)
(-)
DC VOLTAGE INPUT
FROM FACP
SIGNALING OUTPUT
N.O. INPUT
FROM FACP
SIGNALING
OUTPUT
NC C NO
DRY OUTPUT
NC C NO
POWER FAIL
TRIGGER
LED
TRIGGER
NEG (-) INPUT POS (+)
POWER
ON LED
N.O. RESET
EOL 2.2K
(+)
(-)
DC VOLTAGE INPUT
FROM FACP
SIGNALING OUTPUT
N.C. INPUT
FROM FACP
SIGNALING
OUTPUT
NC C NO
DRY OUTPUT
NC C NO
POWER FAIL
MOM5 module shown with with wet and/or
dry normally open fire alarm trigger inputs
(Latching with Manual Reset):
MOM5 module shown with with wet and/or dry
normally closed fire alarm trigger inputs
(Latching with Manual Reset):
Typical Application Diagrams (cont’d.):