Inc. Convection Oven User Manual
Manuals
Brands
Alto-Shaam Manuals
Convection Oven
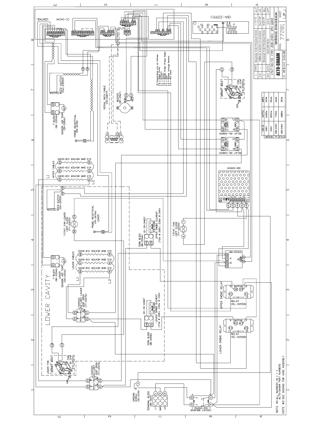
Cook, Hold, Smoke Oven 1767-SK/III
31
32
33
34
35
36
37
38
39
40
P
G
.
3
6
7
6
7
-
S
K
/
I
I
I
,
1
7
6
7
-
S
K
/
I
I
I
,
2
8
0
0
-
S
K
/
I
I
I
I
N
S
TA
L
L
AT
I
O
N
/
O
P
E
R
AT
I
O
N
/
S
E
R
V
I
C
E
M
A
N
U
A
L
1
...
...
36
37
38
39
40
...
...
46