User Manual
Table Of Contents
- Contacting Allied Vision Technologies
- Introduction
- Conformity
- Specifications
- Camera attribute highlights
- Filters
- Camera dimensions
- Camera interfaces
- Firmware update
- Resolution and ROI frame rates
- Description of the data path
- Additional references

Prosilica GE Technical Manual V2.0.3
35
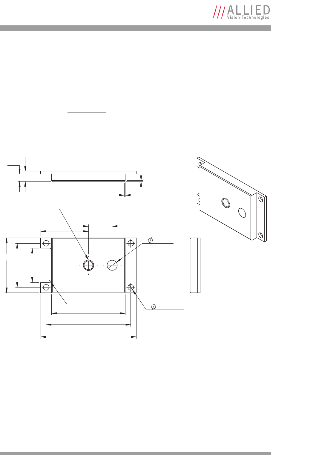
Camera dimensions
Tripod adapter
A Prosilica GE camera can be mounted on a camera tripod by using a mounting
plate P/N 02-5000A. The same mounting plate can be used for all models within
the GE camera family.
Note
Prosilica GE tripod mount is available for purchase from AVT.
AVT P/N: 02-5000A
Figure 23: Prosilica GE tripod mount mechanical drawing
6
4.5
0.5
0.5
26
32.5
50
56.5
3.40 THRU
20.3
R 1.6
14
6 THRU
43.5
28.25
1/4-20 Tapped Hole
THRU










