Instruction manual
Table Of Contents
- Introduction
- Declarations of conformity
- Safety instructions
- PIKE types and highlights
- FireWire
- Overview
- FireWire in detail
- System components
- Specifications
- PIKE F-032B / F-032B fiber
- PIKE F-032C / F-032C fiber
- PIKE F-100B / F-100B fiber
- PIKE F-100C / F-100C fiber
- PIKE F-145B / F-145B fiber (-15fps*)
- PIKE F-145C / F-145C fiber (-15fps*)
- PIKE F-210B / F210B fiber
- PIKE F-210C / F-210C fiber
- PIKE F-421B / F-421B fiber
- PIKE F-421C / F-421 C fiber
- PIKE F-505B / F-505B fiber
- PIKE F-505C / F-505C fiber
- Spectral sensitivity
- Camera dimensions
- PIKE standard housing (2 x 1394b copper)
- PIKE (1394b: 1 x GOF, 1 x copper)
- Tripod adapter
- Pike W90 (2 x 1394b copper)
- Pike W90 (1394b: 1 x GOF, 1 x copper)
- Pike W90 S90 (2 x 1394b copper)
- Pike W90 S90 (1394b: 1 x GOF, 1 x copper)
- Pike W270 (2 x 1394b copper)
- Pike W270 (1394b: 1 x GOF, 1 x copper)
- Pike W270 S90 (2 x 1394b copper)
- Pike W270 S90 (1394b: 1 x GOF, 1 x copper)
- Cross section: CS-Mount (only PIKE F-032B/C)
- Cross section: C-Mount (VGA size filter)
- Cross section: C-Mount (large filter)
- Adjustment of C-Mount
- F-Mount, K-Mount, M39-Mount
- Camera interfaces
- Description of the data path
- Block diagrams of the cameras
- Sensor
- Channel balance
- White balance
- Auto shutter
- Auto gain
- Manual gain
- Brightness (black level or offset)
- Horizontal mirror function
- Shading correction
- Look-up table (LUT) and gamma function
- Binning (only PIKE b/w models)
- Sub-sampling (PIKE b/w and color)
- Binning and sub-sampling access
- Quick parameter change timing modes
- Packed 12-Bit Mode
- High SNR mode (High Signal Noise Ratio)
- Frame memory and deferred image transport
- Color interpolation (BAYER demosaicing)
- Sharpness
- Hue and saturation
- Color correction
- Color conversion (RGB ‡ YUV)
- Bulk Trigger
- Level Trigger
- Serial interface
- Controlling image capture
- Trigger modi
- Exposure time
- One-shot
- Multi-shot
- ISO_Enable / Free-Run
- Asynchronous broadcast
- Jitter at start of exposure
- Sequence mode
- Secure image signature (SIS): definition and scenarios
- Smear reduction
- Video formats, modes and bandwidth
- PIKE F-032B / PIKE F-032C
- PIKE F-100B / PIKE F-100C
- PIKE F-145B / PIKE F-145C (-15 fps**)
- PIKE F-210B / PIKE F-210C
- PIKE F-421B / PIKE F-421C
- PIKE F-505B / PIKE F-505C
- Area of interest (AOI)
- Frame rates
- Frame rates Format_7
- PIKE F-032: AOI frame rates
- PIKE F-100: AOI frame rates
- PIKE F-145: AOI frame rates (no sub-sampling)
- PIKE F-145: AOI frame rates (sub-sampling)
- PIKE F-145-15fps: AOI frame rates (no sub-sampl.)
- PIKE F-145-15fps: AOI frame rates (sub-sampl.)
- PIKE F-210: AOI frame rates (no sub-sampling)
- PIKE F-210: AOI frame rates (sub-sampling)
- PIKE F-421: AOI frame rates
- PIKE F-505: AOI frame rates
- How does bandwidth affect the frame rate?
- Configuration of the camera
- Camera_Status_Register
- Configuration ROM
- Implemented registers
- Camera initialize register
- Inquiry register for video format
- Inquiry register for video mode
- Inquiry register for video frame rate and base address
- Inquiry register for basic function
- Inquiry register for feature presence
- Inquiry register for feature elements
- Inquiry register for absolute value CSR offset address
- Status and control register for feature
- Feature control error status register
- Video mode control and status registers for Format_7
- Advanced features
- Extended version information register
- Advanced feature inquiry
- Camera status
- Maximum resolution
- Time base
- Extended shutter
- Test images
- Look-up tables (LUT)
- Shading correction
- Deferred image transport
- Frame information
- Input/output pin control
- Delayed Integration enable
- Auto shutter control
- Auto gain control
- Autofunction AOI
- Color correction
- Trigger delay
- Mirror image
- AFE channel compensation (channel balance)
- Soft Reset
- High SNR mode (High Signal Noise Ratio)
- Quick parameter change timing modes
- Parameter-List Update
- Format_7 mode mapping
- Secure image signature (SIS)
- Smear reduction
- User profiles
- GPDATA_BUFFER
- Firmware update
- Appendix
- Index

Camera interfaces
PIKE Technical Manual V4.0.0
94
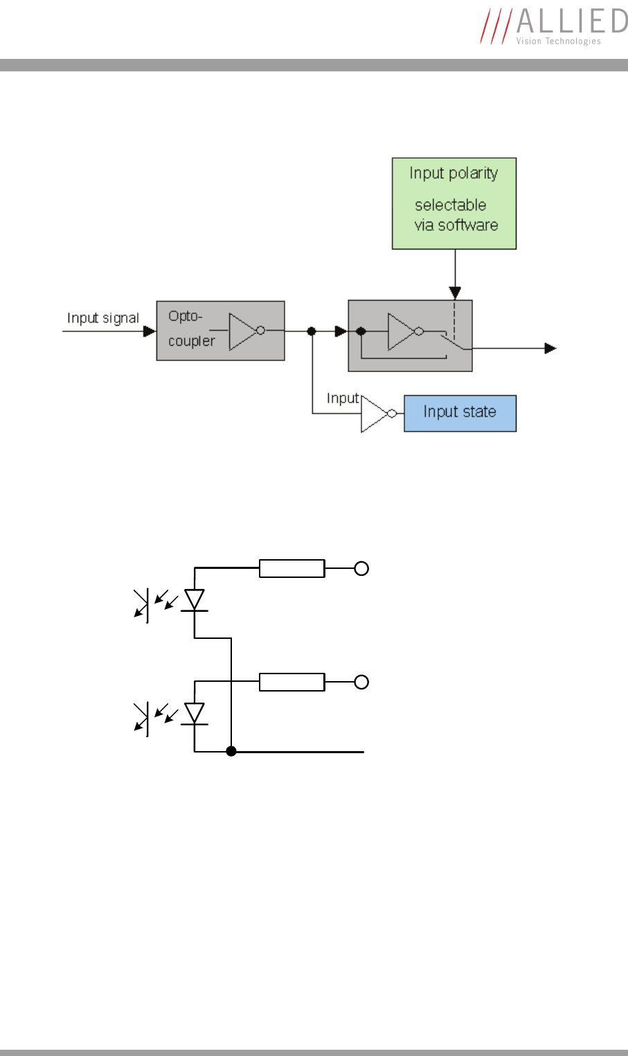
Triggers
All inputs configured as triggers are linked by AND. If several inputs are being
used as triggers, a high signal must be present on all inputs in order to gen-
erate a trigger signal. Each signal can be inverted. The camera must be set
to external triggering to trigger image capture by the trigger signal.
Figure 46: Input block diagram
Figure 47: Input Ground (InGND) (Pin no. 7 from camera I/O connector)
In1 – Pin 4
390R
390R
In2 – Pin 11
InGND – Pin 7










