Instruction manual

Table Of Contents
Camera dimensions
PIKE Technical Manual V4.0.0
80
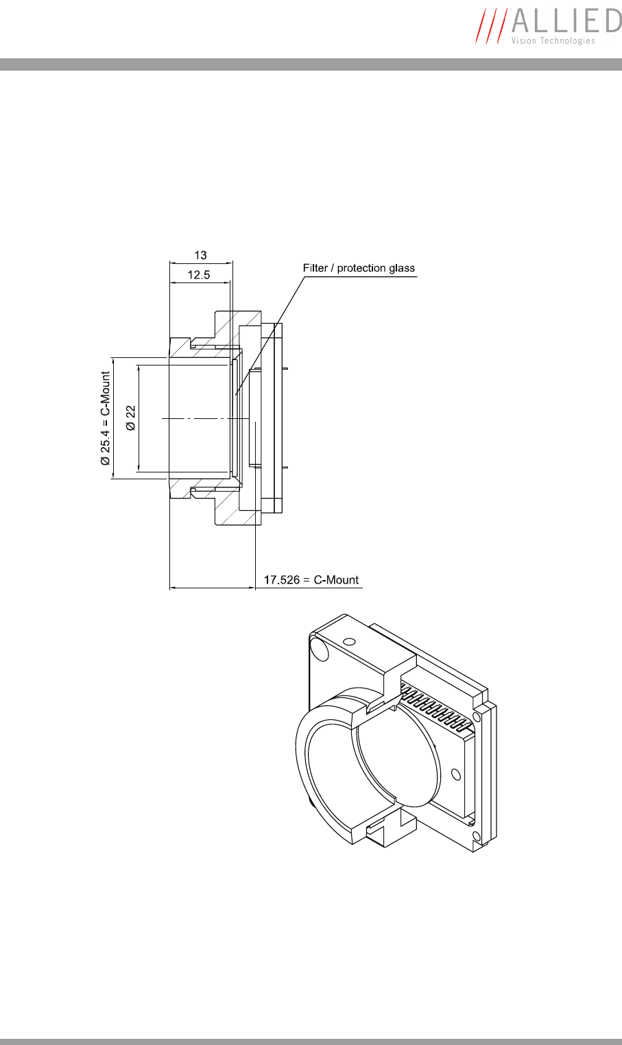
Cross section: C-Mount (large filter)
PIKE F-100, PIKE F-145, PIKE F-210, PIKE F-421, PIKE F-505 are equipped
with a large filter.
Figure 35: Pike C-Mount dimensions (large filter for Pike F-100, F-145, F-210, F-421, F-505)