Instruction manual

Table Of Contents
Camera dimensions
PIKE Technical Manual V4.0.0
79
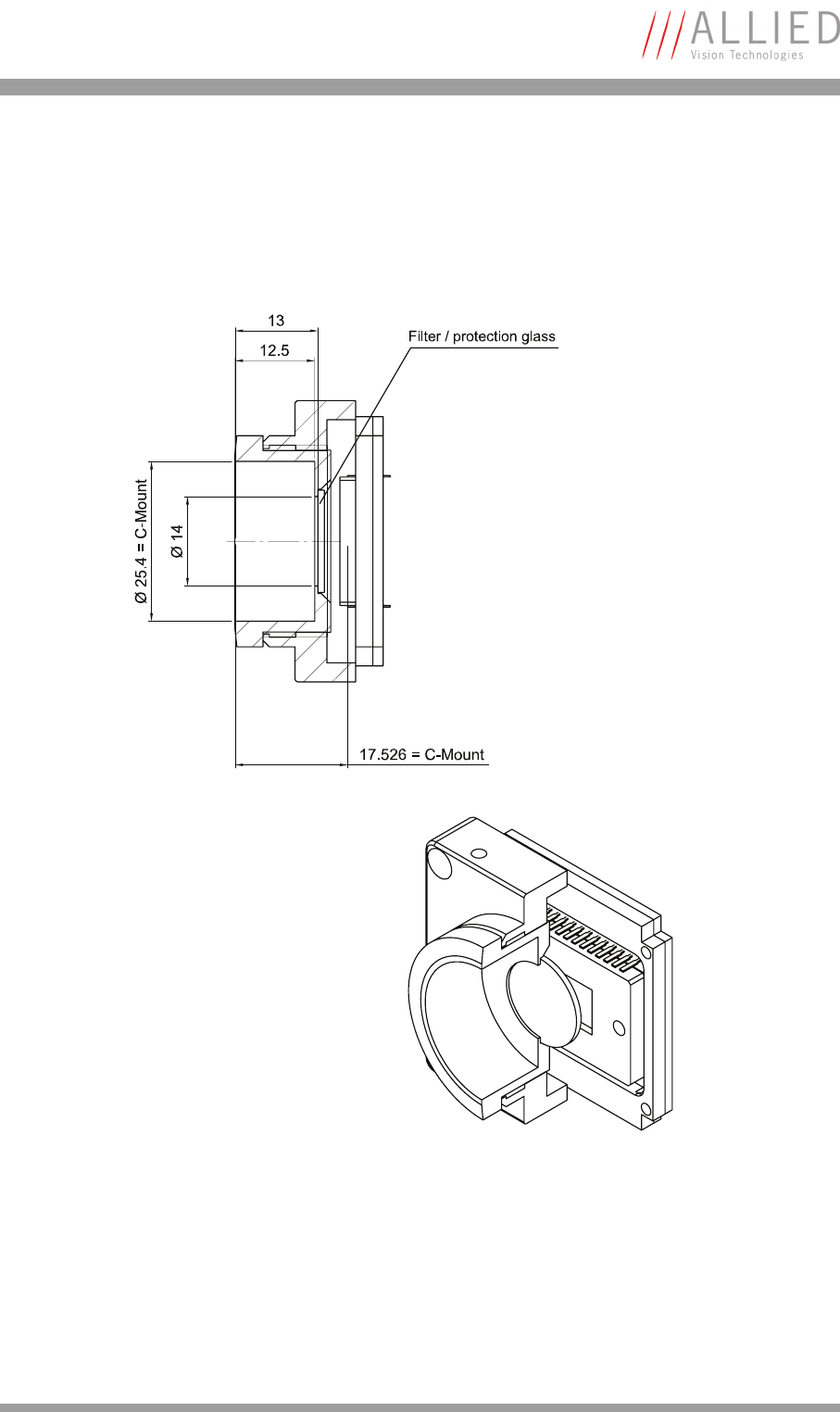
Cross section: C-Mount (VGA size filter)
PIKE F-032 cameras are equipped with VGA size filter.
Figure 34: Pike C-Mount dimensions (VGA size filter for Pike F-032)