Instruction manual

Table Of Contents
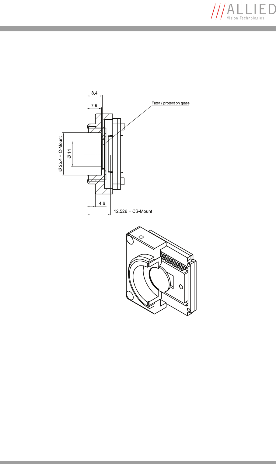
Camera dimensions
PIKE Technical Manual V4.0.0
78
Cross section: CS-Mount (only PIKE F-032B/C)
Figure 33: Pike CS-Mount dimensions (only PIKE F-032B/C)