Instructions / Assembly

24
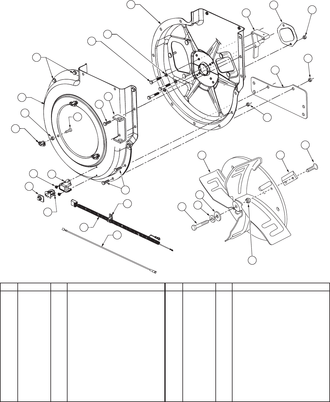
REPAIR PARTS FOR MODEL 502493/552493 CHIP-N-VAC
IMPELLER HOUSING ASSEMBLY
2
6
18
10
5
2
3
5
10
8
24
4
3
17
8
4
7
16
23
11
9
18
20
22
4
9
21
16
23
15
1
16
13
14
1
15
6
12
19
28
27
26
25
24
REF. PART NO. qTY DESCRIPTION
1 629-0241A 1 Wire Harness
2 63993 1 Inner Housing Assembly
3 24633 1 Outer Housing Assembly
4 43182 12 Hex Bolt, 5/16-18 x 3/4"
5 710-0772 4 Hex Bolt, 5/16-24 x 2"
6 710-1268 2 Self Tap Screw, #10-16 x 3/8"
7 43063 3 Hex Bolt, 5/16-18 x 1"
8 712-0421 3 Knob
9 47810 12 Nylock Nut, 5/16"
10 43086 4 Lock Washer, 5/16" (Spring Type)
11 719-0330A 1 Mounting Adapter
12 725-1700 1 Switch Cover
13 725-3166 1 Snap Mount Switch
14 726-0272 1 Clamp
REF. PART NO. qTY DESCRIPTION
15 731-1613 1 Switch Cover
16 24958 1 Hose Hanger Bracket
17 46584 3
WhizlockNut,5/16"
18 24606 1 Housing Spacer
19 736-0247 1 Flat Washer, 13/32" x 1-1/4"
20 63924 1 Impeller Assembly
21 710-1273 1 Hex Bolt, 3/8-24 x 2-3/4"
22 43003 1 Lockwasher, 3/8"
23 629-0923 1 Harness Adapter
24 44738 4 Lock Nut, 5/16-24 (Unitork)
25 710-1054 4 Flat Screw, 5/16-24 x 1"
26 742-0544 2 Chipper Blade
27 47810 2 Nylock Nut, 5/16"
28 781-0627 1 Chipper Cover










