User's Manual
Table Of Contents

Status Reporting 53
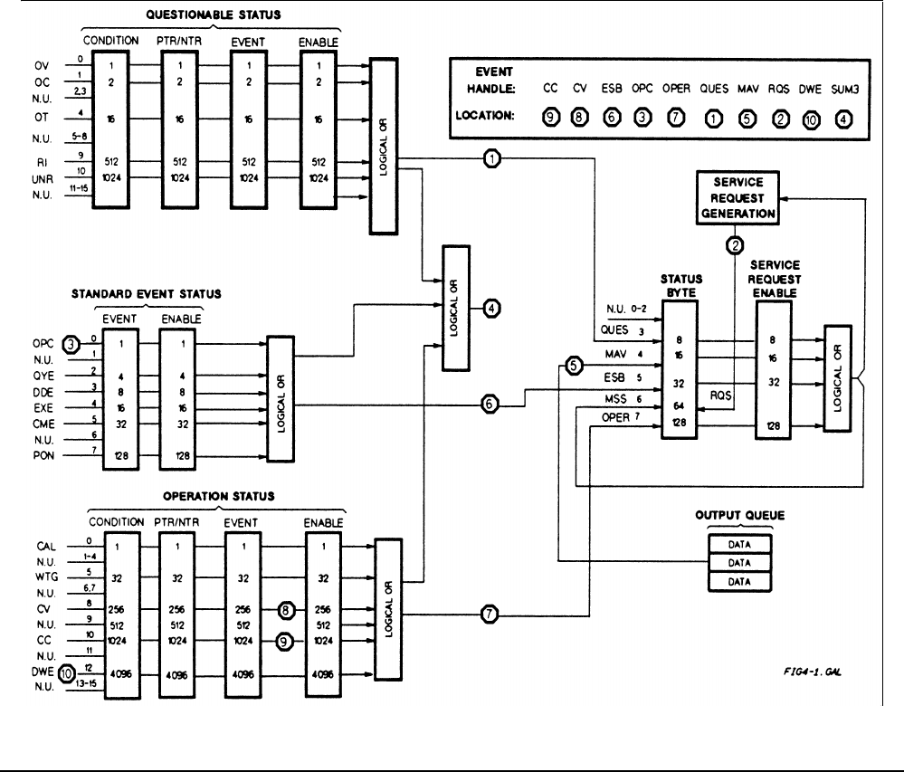
Figure 4-1. Power Module Status Model
Standard Event Status Group
Register Functions
This group consists of an Event register and an Enable register that are programmed by COMMON commands. The
Standard Event register latches events relating to interface communication status (see Table 4-2). It is a read-only register
that is cleared when read. The Standard Event Enable register functions similarly to the enable registers of the Operation
and Questionable status groups.
Register Commands
The common *ESE command programs specific bits in the Standard Event Status Enable register. Because the power
module implements *PSC, the register is cleared at power on if *PSC = 1.
*ESR? reads the Standard Event Status Event register. Reading the register clears it.










