Specifications

19
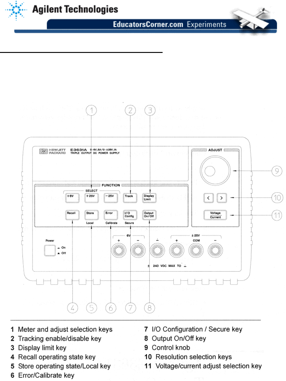
Part Three – The Agilent E3631A Power Supply
A power supply is used to provide DC voltage(s) needed by a circuit that doesn't supply its own
power. The Agilent E3631A is actually three power supplies:0 to 6 V, 0 to 25 V, and 0 to -25 V.
In this section you will see how to set the voltage of each supply and how to use "current
limiting" on each supply to protect your circuit.










