- AGA Gas Fired Cookers Installation Instructions

Kitchen or Internal Space Air Supply
Where the appliance is to be installed in a kitchen or
internal space, it does not require the kitchen or internal
space containing it to have a permanent air vent.
Installation pipes should be fitted in accordance with
current Gas Regulations. Pipework from the meter/tank to
the cooker must be of adequate size, cooker connection
size of 15mm Dia. On completion test the gas installation
for soundness and purge in accordance with current Gas
Regulations.
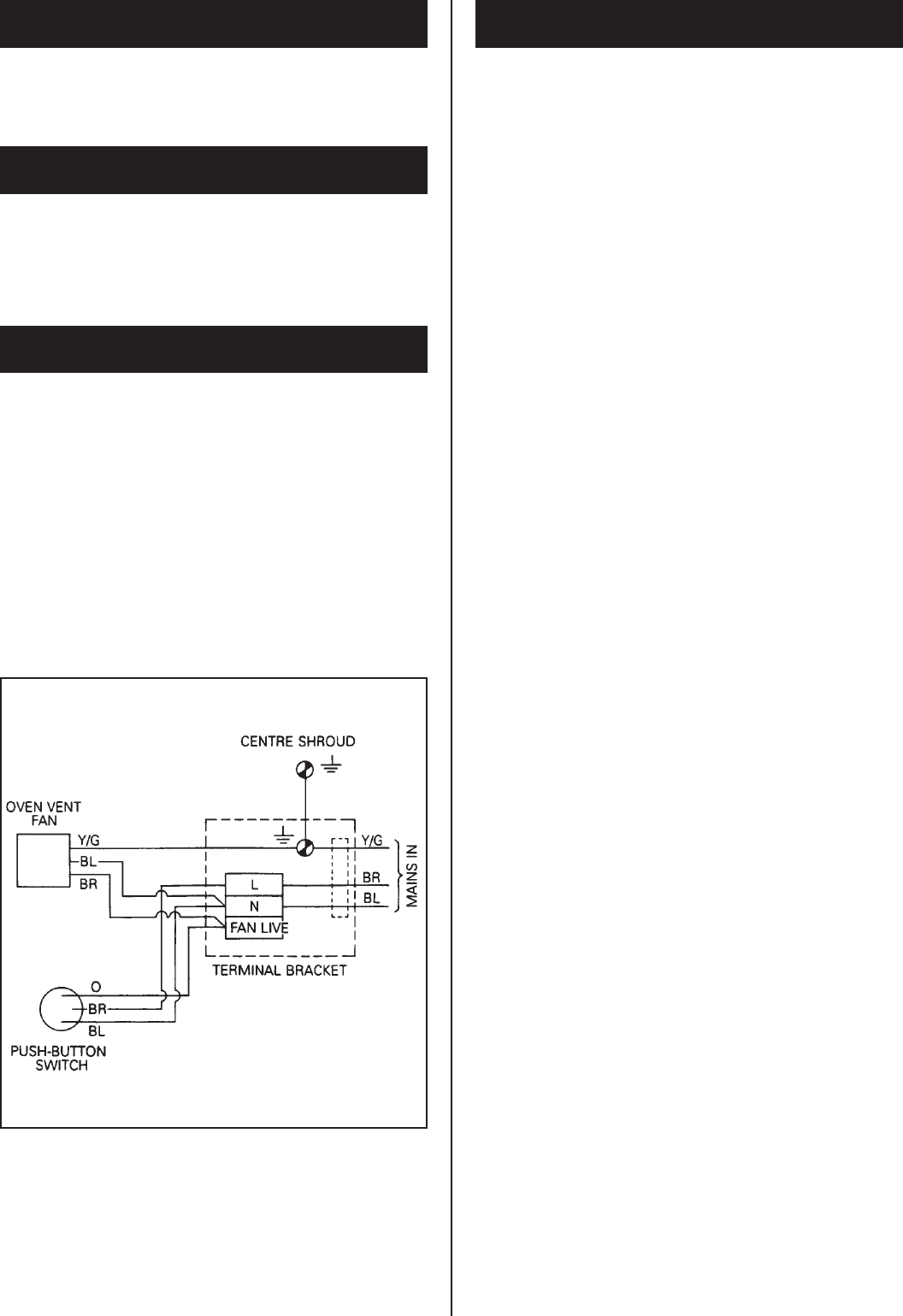
A 3Amp 230V~50Hz fused electrical supply is required
adjacent to the appliance. External wiring to the fan unit
must be installed using a 3 core heat resisting 85°C PVC
sheathed cable and in accordance with the current Wiring
Regulations and any local regulations which apply. The
wiring should be completed as indicated:
The method of connection to the mains electricity supply
must facilitate complete electrical isolation of the
appliance, preferably by the use of an unswitched
shuttered socket outlet in conjunction with a fused three
pin plug. Alternatively, a fused double pole switch, having
a contact separation of at least 3mm in both poles, serving
only the appliance may be used.
(Models GCB and GEB Only)
In a domestic hot water system, the hot water storage
vessel must be of the indirect cylinder of calorifier type.
The hot water storage vessel should be insulated,
preferably, with not less than 75mm thick mineral fibre, or
its equivalent.
Pipework not forming part of the useful heating surface
should be insulated to help prevent heat loss and possible
freezing, particularly where pipes are run through roof
spaces and ventilated under floor spaces. Cisterns
situated in areas which may be exposed to freezing
conditions should also be insulated.
Draining taps must be located in accessible positions
which permit the draining of the whole system, including
the boiler and hot water storage vessel.
Draining taps should be at least 15mm nominal size. The
use of horizontal pipe runs should be avoided wherever
possible in order to prevent the collection of air in the
system. If horizontal runs are unavoidable, the pipes
should rise upwards in the direction away from the boiler.
Hot water systems should be in accordance with the
relevant recommendations.
Water Circulation System
(Models GCB and GEB only)
The cooker boiler should be connected to a cistern water
supply and subject to a maximum head of 18.25m and
minimum 1m.
The 28mm minimum diameter primary flow pipe must rise
continuously from the cooker boiler to the cylinder to
ensure good gravity circulation and have an open vent.
The 28mm diameter primary flow and return pipes must
not exceed 5.5m in length and be well insulated.
Water Connections
(Models GCB and GEB only)
The two 28mm copper flow and return pipes from the
boiler can be obtained for right or left hand connections.
Hot Water Storage Vessel
It is recommended that an indirect 190 litre (40 gallon) hot
water storage cylinder of the double feed type should be
lagged and fixed vertically as near as possible to the
cooker.
The water draw-off pipes to the taps must be dead leg
connection from the vent/expansion pipe.
A drain tap must be fitted at the lowest point of the
system.
Cooker Boiler Heat Exchanger
The heat exchanger must be connected to a 190 litre (40
gallon) copper double feed indirect cylinder.
THE HOT WATER SYSTEM
5
INSTALLATION PIPES
ELECTRICAL
AIR SUPPLY