Manual
Table Of Contents
- Table of Contents
- Foreword
- CHAPTER 1 - SAFETY PRECAUTIONS
- CHAPTER 2 - INSTALLATION
- CHAPTER 3 - CONTROL PANEL OPERATING PROCEDURES
- CHAPTER 4 - INITIAL START-UP
- CHAPTER 5 - MODE OF OPERATION
- CHAPTER 6 - SAFETY DEVICE TESTING
- CHAPTER 7 - MAINTENANCE
- CHAPTER 8 - TROUBLESHOOTING GUIDE
- CHAPTER 9 - RS232 COMMUNICATION
- APPENDIX A - BOILER MENU ITEM DESCRIPTIONS
- APPENDIX B - STARTUP, STATUS AND FAULT MESSAGES
- APPENDIX C - TEMPERATURE SENSOR RESISTANCE CHART
- APPENDIX D - INDOOR/OUTDOOR RESET RATIO CHARTS
- APPENDIX E - BOILER DEFAULT SETTINGS
- APPENDIX F - ASSEMBLY DRAWINGS
- APPENDIX G - PIPING DIAGRAMS
- APPENDIX H - WIRING DIAGRAMS
- APPENDIX I - RECOMMENDED PERIODIC CHECK LIST
- APPENDIX J - CONTROL PANEL VIEWS
- APPENDIX K - RECOMMENDED SPARE PARTS
- STANDARD WARRANTY

MAINTENANCE
7-2
7.2 IGNITOR-INJECTOR
The ignitor-injector (part no. 58023) is located on
the burner plate at the top of the boiler. In
addition to providing the ignition spark required
to light the burner, the ignitor-injector also
contains a gas injector tube which connects to
the staged ignition assembly. Figure 7-1 shows
the complete burner assembly removed from the
boiler and indicates the location of the ignitor-
injector flame detector and other related
components.
The ignitor-injector may be hot, therefore, care
should be exercised to avoid burns. It is easier
to remove the ignitor-injector from the unit after
the unit has cooled to room temperature.
AIR/FUEL
VALVE
STAGED
IGNITION
ASSEMBLY
FLAME
DETECTOR
IGNITOR-
INJECTOR
BLOWER
BURNER
PLATE
BURNER
Figure 7-1
Benchmark 1.5LN Burner Assembly
(Shown Removed from Boiler)
To inspect/replace the Ignitor:
1. Set the ON/OFF switch on the control panel,
to the OFF position. Disconnect AC power
from the unit
2. Remove the side and top panels from the
unit.
3. Disconnect the cable from the ignitor-injector
(Figure 7-1).
4. Refer to the partial exploded view in Figure
7-2. Using a 7/16” open-end wrench,
disconnect the compression nut securing the
gas injector tube of the ignitor-injector to the
elbow of the staged ignition assembly.
Disconnect the staged ignition assembly
from the ignitor-injector.
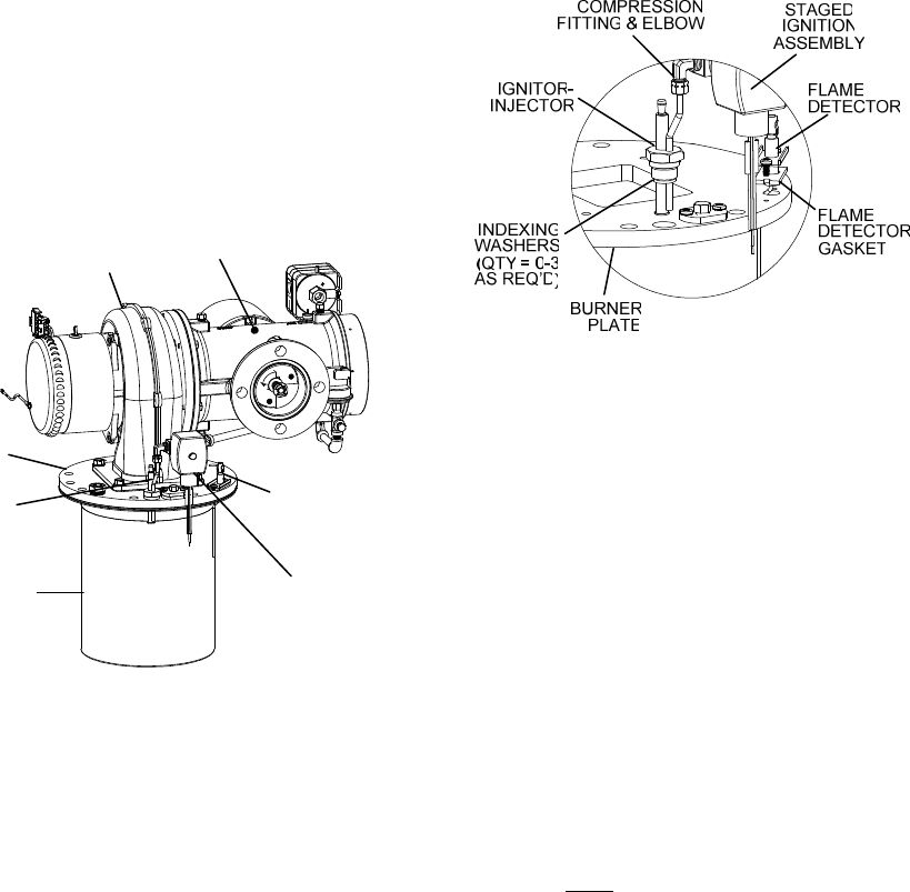
Figure 7-2
Ignitor-Injector & Flame Detector
Mounting Details
5. Next, loosen and remove the ignitor-injector
from the burner plate using a 1" open-end
wrench.
6. Check the ignitor-injector for evidence of
erosion or carbon build-up. If there is
evidence of substantial erosion or carbon
build-up, the ignitor-injector should be
replaced. If carbon build-up is present, clean
the component using fine emery cloth.
Repeated carbon build-up is an indication
that the combustion settings of the unit
should be checked. Refer to Chapter 4 for
combustion calibration procedures.
7. Prior to reinstalling the ignitor-injector, a high
temperature, conductive, anti-seize com-
pound must
be applied to the threads.
NOTE
If a replacement ignitor-injector (part no.
58023) is being installed, a compression
nut containing a built-in ferrule will be
included with the replacement part. If
needed, 3 indexing washers are also
included These washers may be needed
to properly position the gas injector tube
of the ignitor-injector within the 120° angle
range shown in Figure 7-3.