Manual

APPENDIX F
31
32
42
26
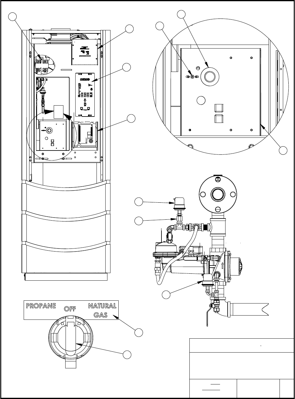
DETAIL C
27
34
28
61
FUEL SELECTOR SWITCH
(DUAL FUEL ONLY)
59
47
74
48
REV
AERCO
INTERNATIONAL, INC.
D
DRWN BY:SJD
DATE:12/08/08
*NOT TO SCALE*
(SHEET 5 OF 7)
BENCHMARK 1.5 LOW NOx
BOILER PARTS LIST
NORTHVALE, NJ 07647
PL - A - 157
C
F-12
F-12