Manual

APPENDIX F
REV
AERCO
INTERNATIONAL, INC.
D
DRWN BY:SJD
DATE:12/08/08
*NOT TO SCALE*
(SHEET 4 OF 7)
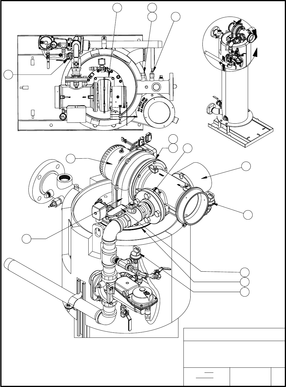
BENCHMARK 1.5 LOW NOx
BOILER PARTS LIST
NORTHVALE, NJ 07647
PL - A - 157
30
47
54
48
5
8
21
24
4446
16 25
B
DETAIL B
29
22
6
F-11
APPENDIX F
F-11