User's Manual

APR. 25, 2003
ALA761 IN
8
+12V
Master Door
Lock Switch
X
X
Splice
Splice
Cut the Existing
Lock Wire
To Door
Lock
Motor
To Slave Door
Lock switches
Cut the Existing
Unlock Wire
3 Pin Plug
To Alarm
5-WIRE ALTERNATING DOOR LOCK
30
86
87a
85
87
30
86
87a
85
87
+12V
Green Wire
Blue Wire
VACUUM OPERATED CENTROL LOCKING
Green Wire
Blue Wire
+12V
X
Cut
Compressor
Door Switch
30
86
87a
85
87
30
86
87a
85
87
3 Pin
Plug To
Alarm
2 STEP DOOR UNLOCK WIRE CONNECTION FOR
5 WIRE ALTERNATING DOOR LOCKS
+12V
Cut the Existing
Lock Wire
Cut Existing Unlock Wire
X
Cut the Unlock Wire
Lock
Unlock
OEM Door Master Lock
OEM Slave
Door Lock
Switch
+12V
LockUnlock
To All Other
Door Lock
Motors
H8/8
:
14-Pin
Plug
From
Alarm
Pink Wire
x
X
Blue Wire
OEM Driver’s
Door Lock Motor
+ 12V
+ 12V
85
86
87
87A
30
30
87
85
87A
86
30
87
85
87A
86
Green Wire
H4
:
3 Pin
Plug
To
Alarm
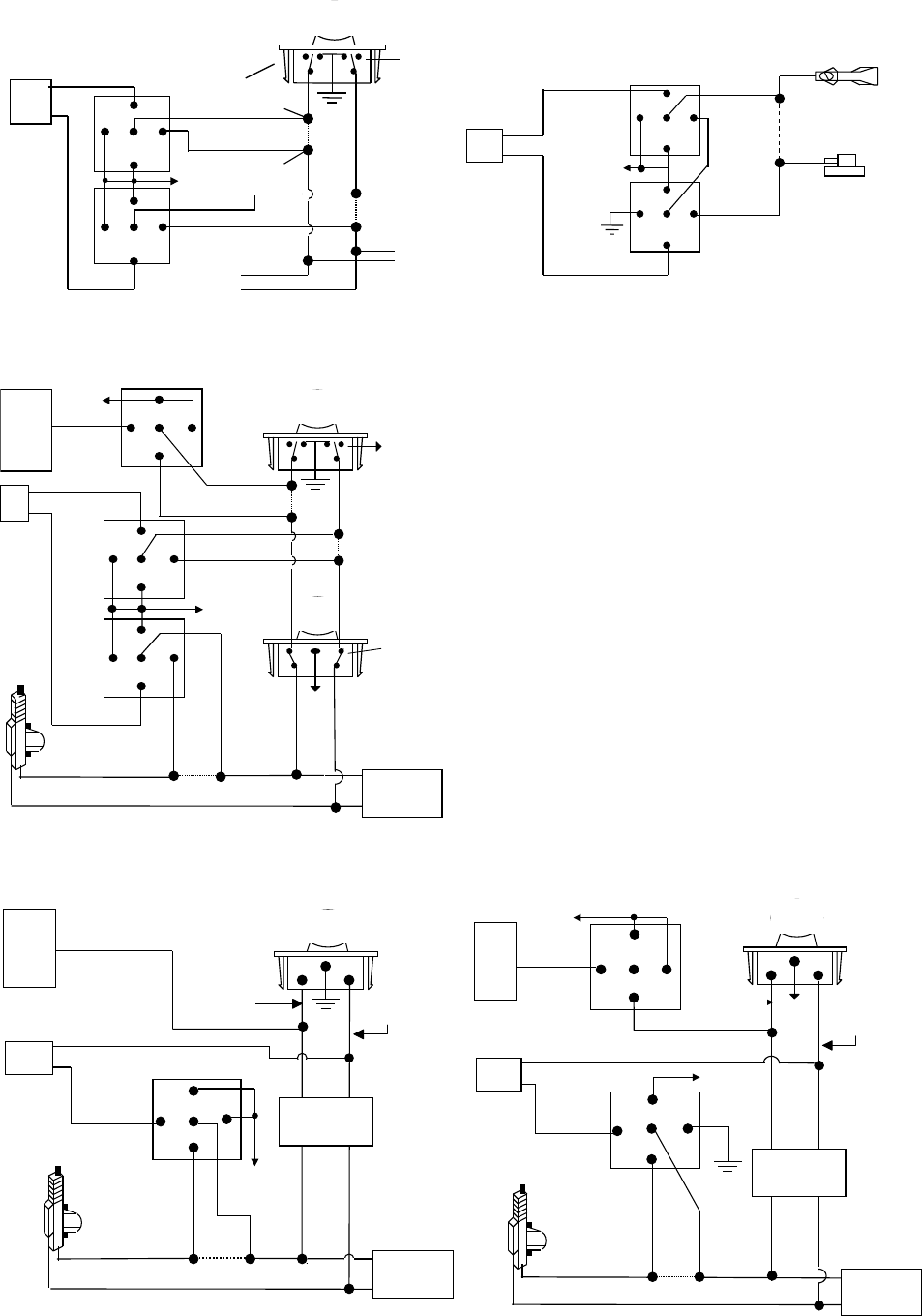
VACUUM OPERATED DOOR LOCKING SYSTEM:
TYPICAL OF MERCEDES BENZ AND AUDI.
Locate the wire under the driver's kick panel. Use the
voltmeter connecting to ground, verify that you have t
h
correct wire with the doors unlocked, the voltmeter wil
l
receive "12 volts". Lock the doors and the voltmeter w
i
read "0 volt". Move the alligator clip to +12V and the
voltmeter will receive "12 volts". Cut this wire and mak
connections. Be sure to program door lock timer to
3.5 seconds.(See Alarn Feature II – 1 Programming.)
2 STEP DOOR UNLOCK WIRE CONNECTION FOR
GROUND SWITCHED DOOR LOCKS
Cut Existing Unlock Wire
X
LockUnlock
OEM Door Master Lock Switch
To All Other
Door Lock
Motors
Pink Wire
OEM Driver's
Door Lock
Motor
Existing Neg.
Lock Wire
Existing Neg.
Unlock Wire
86
30
85
87
87A
+ 12V
Green Wire
Door Lock
Blue Wire
Door Unlock
OEM Door
Lock Relay
H8/8
:
14-Pin
Plug
From
Alarm
H4
:
3 Pin
Plug
To
Alarm
2 STEP DOOR UNLOCK WIRE CONNECTION FOR
POSITIVE SWITCHED DOOR LOCKS
Cut Existing Unlock Wire
X
LockUnlock
OEM Door Master Lock Switch
To All Other
Door Lock
Motors
Pink Wire
OEM Driver's
Door Lock
Motor
+ 12V
Existing Pos.
Lock Wire
Existing Pos.
Unlock Wire
30
87A
87
86 85
+12V
+ 12V
OEM Door
Lock Relay
86
30
85
87
87A
Green Wire
Door Unlock
Blue Wire Door Lock
H8/8
:
14-Pin
Plug
From
Alarm
H4
:
3 Pin
Plug
To
Alarm