User's Manual

APR. 25, 2003
ALA761 IN
3
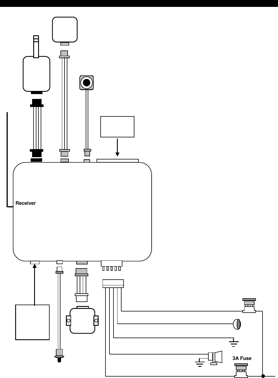
INSTALLATION DIAGRAM
H 1
6 Pin
White
H 5
4 Pin
Black
H 6
3 Pin
Brown
Transmitter
Antenna
Optional
Pager
(Knock)
Sensor
H 7
2 Pin
Blue
LED
Indicator
H 8
14 Pin White
Connector
H 8
14 Pin
White
H 2
4 Pin
Orange
Dual
Zone
Shock
Sensor
VALET
SWITCH
H 3
2 Pin
White
H 4
3 Pin
White
H 4
3 Pin White
Connector for
Door Lock &
Door unlock
Connection
1. Red / White: Parking Light Relay Power input
2. White:
Parking Light Relay Output
3. Black:
Ground to Vehicle Frame
4. Brown: Positive Output to Siren
5. Red: +12V Input
10A Fuse
3A Fuse
Receiver
Antenna