H2TU-C-231 List 2 User Manual
Table Of Contents
- Overview
- Front Panel
- Installation
- Provisioning
- Monitoring System Activity and Performance
- Testing
- Appendix A - Specifications
- Appendix B - Functional Operation
- Appendix C - Compatibility
- Appendix D - Product Support
- Appendix E - Abbreviations
- Certification and Warranty

Appendix A - Specifications LTPH-UM-1109-01, Issue 1
58 January 9, 2002 H2TU-C-231 List 2
Fuse Alarm
Pin 32 on the card-edge connector is a fuse alarm that is driven to -48 Vdc through a diode whenever the onboard
fuse opens.
System Alarm Output Pins
Pins 20 and 21 on the card-edge connector (see Figure 31 on page 57) are the H2TU-C-231 System Alarm output
relay contacts. The following notes apply to pins 20 and 21:
• The H2TU-C-231 Status LED flashes red for the duration of a system alarm condition.
• Setting the ALM option to DIS only prevents the system alarm relay pins 20 and 21 from closing for a system
alarm event. The Status LED still flashes red and the ALRM message still displays.
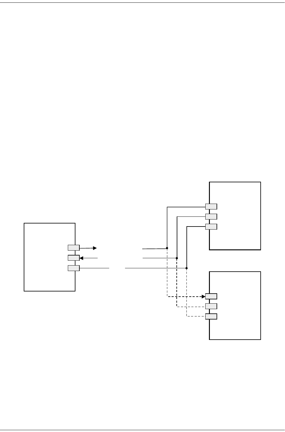
CRAFT PORT
Figure32onpage58shows the pinout for the craft port connector and its connection to a DB-9 or DB-25
connector on a maintenance terminal.
Figure 32. RS-232 Craft Port Pinouts
H2TU-C-231
DB-9 Connector
(DCE)
RD (Receive Data)
TD (Transmit Data)
2
3
5
DB-9 Connector
(DTE)
DB-25 Connector
(DTE)
2
3
5
3
2
7
GND
Terminal
Terminal










