User Guide
Manuals
Brands
ACR Electronics Manuals
Other
NAUTICAST INLAND
81
82
83
84
85
86
87
88
89
90
Table Of Contents
Y1-03-0212E Main Manual.pdf
Y1-03-0212E Appendix and Drawings.pdf
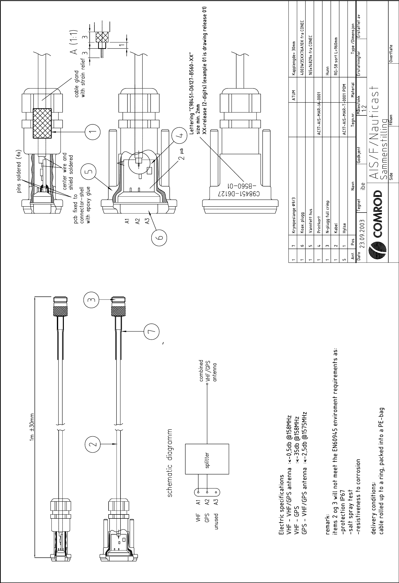
GPS Antenna mounting.PDF
Sheet1
Drawing View1
Included with ACR P
art #2624
1
...
...
79
80
81
82
83
...
...
94