Manual
Manuals
Brands
AAEON Manuals
Hardware
PICO-HD01
11
12
13
14
15
16
17
18
19
20
Table Of Contents
PICO-HD01 ch1-1012.pdf
System
Display: Supports CRT/LCD, HDMI/DVI/LCD simultaneous / dual view displays
I/O: Fintek F81801U-I
PICO-HD01 ch2-1012.pdf
0B0BFunction
1B1BFunction
2B2BFunction
3B3BFunction
4B4BFunction
5B5BFunction
6B6BFunction
PICO-HD01 ch3 AMI BIOS Setup-1004.pdf
Setup Menu
Setup submenu: Main
Setup submenu: Advanced
ACPI Settings
CPU Configuration
SATA Configuration
USB Configuration
F81801 Super IO Configuration
Digital IO Port Configuration
H/W Monitor
Setup submenu: Chipset
Host Bridge
GFX Configuration
South Bridge
Boot Configuration
BBS Priorities
Setup submenu: Security
HDD Security
Setup submenu: Exit
PICO-HD01 ch4-1011.pdf
0BDriver
PICO-HD01 Appendix A Watchdog Timer-1011.pdf
Programming the
PICO-HD01 Appendix C Mating Connector-1011.pdf
Function
PICO-HD01 ch1-1015.pdf
System
Display: Supports CRT/LCD, HDMI/DVI/LCD simultaneous / dual view displays
I/O: Fintek F81801U-I
P
I
C
O
-
I
T
X
B
o
a
r
d
P
I
C O
- H
D 0
1
C
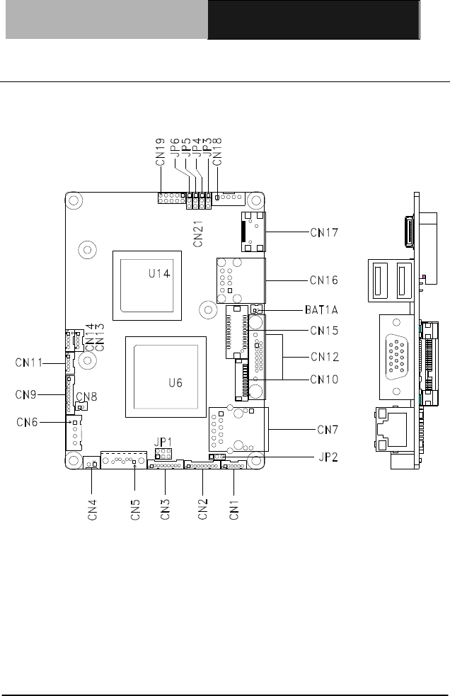
hapter 2 Quick Installation Guide
2
-3
2.
2 Location of Co
nnectors and Jumpers
Component Side
Componen
t si
de
1
...
...
13
14
15
16
17
...
...
104