User guide
Manuals
Brands
AAEON Manuals
Hardware
EMB-Q77A
11
12
13
14
15
16
17
18
19
20
Table Of Contents
Chapter 1
Product overview
1.1 Package contents
1.2 Features
1.3 Specifications
Chapter 2
Motherboard information
2.1 Before you proceed
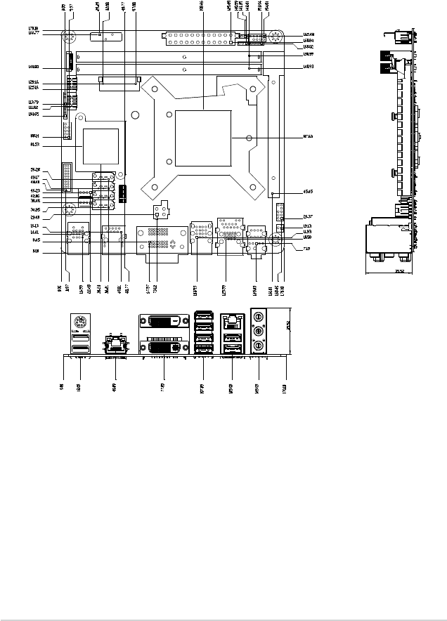
2.2 Motherboard layout
2.3 Screw size
2.3.1 Component side
2.3.2 Solder side
2.4 Central Processing Unit (CPU)
2.4.1 Installing the CPU
2.4.2 CPU heatsink and fan assembly installation
2.5 System memory
2.5.1 Installing a DIMM
2.6 Jumpers
2.7 Onboard LEDs
2.9 Connectors
2.9.1 Rear panel connectors
2.9.2 Internal connectors
Chapter 3
BIOS setup
3.1 BIOS setup program
3.1.1 BIOS menu screen
3.1.2 Menu bar
3.2 Main menu
3.2.1 System Language [English]
3.2.2 System Date [Day MM/DD/YYYY]
3.2.3 System Time [HH:MM:SS]
3.2.4 Security
3.3 Advanced menu
3.3.1 Trusted Computing
3.3.2 CPU Configuration
3.3.3 SATA Configuration
3.3.4 System Agent Configuration
3.3.5 Intel TXT(LT) Configuration
3.3.6 AMT Configuration
3.3.7 USB Configuration
3.3.8 Onboard Devices Configuration
3.3.9 APM
3.3.10 Network Stack
3.4 Monitor menu
3.4.1 CPU Temperature / MB Temperature [xxxºC/xxxºF]
3.4.2 CPU / Chassis Fan Speed [xxxx RPM] or [Ignore] / [N/A]
3.4.3 CPU Q-Fan Control [Enabled]
3.4.4 CPU Voltage, 3.3V Voltage, 5V Voltage, 12V Voltage
3.5 Boot menu
3.5.1 Fast Boot [Enabled]
3.5.2 Bootup NumLock State [On]
3.5.3 Wait for ‘F1’ If Error [Disabled]
3.5.4 Option ROM Messages [Force BIOS]
3.5.5 INT19 Trap Response [Postponed]
3.5.6 CSM (Compatibility Support Module)
3.5.7 Secure Boot
3.5.8 Boot Option Priorities
3.5.9 Boot Override
3.6 Tools menu
3.6.1 EZ Flash 2 Utility
3.6.2 DRAM SPD Information
3.7 Exit menu
Appendix
Notices
EMB-Q77A
2-4
2.3
Screw size
2.3.1
Component side
1
...
...
10
11
12
13
14
...
...
62